TI “GaN 기술 통합하여 99% 이상의 인버터 효율 구현해”
2024-06-25 신윤오 기자, yoshin@elec4.co.kr
650V 지능형 전력 모듈(IPM), 솔루션 크기 최대 55%까지 축소
텍사스 인스트루먼트(TI)는 업계 최초로 250W 모터 드라이브 애플리케이션을 위한 650V 3상 질화 갈륨(GaN) IPM을 소개했다.
TI코리아는 이 같은 내용을 설명하는 간담회를 열었다. 간담회에는 TI 모터 드라이브 부문 찰리 무노즈(Charlie Munoz) 마케팅 매니저와 TI 모터 드라이브 부문 시스템 크러샬 샤 (Krushal Shah) 애플리케이션 매니저가 참여하였다.
TI의 새로운 DRV7308 GaN IPM은 99% 이상의 인버터 효율, 최적화된 음향 성능, 솔루션 크기 감소 및 시스템 비용 절감을 실현한다. 이로써 엔지니어가 주요 가전제품과 난방, 환기 및 공조(HVAC) 시스템을 설계할 때 일반적으로 직면하는 많은 설계 및 성능 저하 문제를 해결할 것으로 기대한다.

니콜 나빈스키(Nicole Navinsky) TI 모터 드라이브 부문 매니저는 “오늘날 고전압 가전 및 HVAC 시스템 엔지니어들은 전 세계의 환경 지속 가능성 목표를 지원하기 위해 더 높은 에너지 효율 표준을 충족하기위해 노력하고 있다. 또한, 안정적이고 조용하며 동시에 컴팩트한 시스템에 대한 소비자의 요구 또한 충족해야 하는 과제를 안고 있다”라며 “엔지니어는 TI의 새로운 GaN IPM을 사용해서 이러한 모든 기대치를 충족하고 최고의 효율로 작동하는 모터 드라이버 시스템을 설계할 수 있다”라고 전했다.
시스템 효율성 및 안정성 향상
오늘날 전 세계적으로 계절별 에너지 효율 비율(SEER) 최저 소비효율 기준(MEPS), 에너지 스타(Energy Star) 및 에너지 효율 목표관리제(Top Runner)와 같은 가전제품 및 HVAC 시스템에 대한 전 세계 효율 표준이 점점 더 엄격해지고 있다.
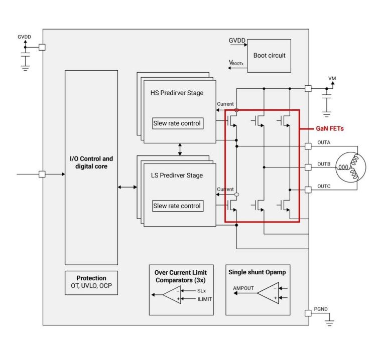
통합 3상 GaN IPM의 작동 원리
TI의 DRV7308은 GaN 기술을 활용해서 기존 솔루션 대비 전력 손실을 50%가량 줄이면서 99% 이상의 효율을 제공하고 열 성능을 개선해서 엔지니어가 이러한 표준을 충족할 수 있도록 지원한다.
또한 TI의 DRV7308은 업계에서 가장 낮은 데드 타임과 낮은 전파 지연(모두 200ns 미만)을 달성해서 가청 잡음과 시스템 진동을 줄이는 더 높은 펄스 폭 변조(PWM) 스위칭 주파수를 구현한다. 이러한 장점과 더불어 DRV7308의 높은 전력 효율 및 통합 기능은 모터 발열을 절감해서 안정성을 높이고 시스템 수명을 연장할 수 있다.
솔루션 크기와 비용 절감
점점 더 소형화되는 가전제품 트렌드를 지원하는 TI의 DRV7308은 엔지니어가 더 작은 모터 드라이브 시스템을 개발할 수 있도록 돕는다.
GaN 기술로 구현된 새로운 IPM은 12mm×12mm 패키지로 높은 전력 밀도를 제공하며 150W~250W 모터 드라이브 애플리케이션을 위한 업계에서 가장 작은 IPM이다.
특히, DRV7308은 높은 효율성으로 별도의 외부 방열판이 필요하지 않아 모터 드라이브 인버터 인쇄 회로 기판(PCB) 크기를 경쟁사 IPM 솔루션 대비 최대 55%까지 축소할 수 있다. 또한 전류 감지 증폭기, 보호 기능 및 인버터 스테이지를 통합해서 솔루션 크기와 비용을 더욱 절감했다.
텍사스 인스트루먼트(TI)는 업계 최초로 250W 모터 드라이브 애플리케이션을 위한 650V 3상 질화 갈륨(GaN) IPM을 소개했다.
TI코리아는 이 같은 내용을 설명하는 간담회를 열었다. 간담회에는 TI 모터 드라이브 부문 찰리 무노즈(Charlie Munoz) 마케팅 매니저와 TI 모터 드라이브 부문 시스템 크러샬 샤 (Krushal Shah) 애플리케이션 매니저가 참여하였다.
TI의 새로운 DRV7308 GaN IPM은 99% 이상의 인버터 효율, 최적화된 음향 성능, 솔루션 크기 감소 및 시스템 비용 절감을 실현한다. 이로써 엔지니어가 주요 가전제품과 난방, 환기 및 공조(HVAC) 시스템을 설계할 때 일반적으로 직면하는 많은 설계 및 성능 저하 문제를 해결할 것으로 기대한다.

니콜 나빈스키(Nicole Navinsky) TI 모터 드라이브 부문 매니저는 “오늘날 고전압 가전 및 HVAC 시스템 엔지니어들은 전 세계의 환경 지속 가능성 목표를 지원하기 위해 더 높은 에너지 효율 표준을 충족하기위해 노력하고 있다. 또한, 안정적이고 조용하며 동시에 컴팩트한 시스템에 대한 소비자의 요구 또한 충족해야 하는 과제를 안고 있다”라며 “엔지니어는 TI의 새로운 GaN IPM을 사용해서 이러한 모든 기대치를 충족하고 최고의 효율로 작동하는 모터 드라이버 시스템을 설계할 수 있다”라고 전했다.
시스템 효율성 및 안정성 향상
오늘날 전 세계적으로 계절별 에너지 효율 비율(SEER) 최저 소비효율 기준(MEPS), 에너지 스타(Energy Star) 및 에너지 효율 목표관리제(Top Runner)와 같은 가전제품 및 HVAC 시스템에 대한 전 세계 효율 표준이 점점 더 엄격해지고 있다.

통합 3상 GaN IPM의 작동 원리
또한 TI의 DRV7308은 업계에서 가장 낮은 데드 타임과 낮은 전파 지연(모두 200ns 미만)을 달성해서 가청 잡음과 시스템 진동을 줄이는 더 높은 펄스 폭 변조(PWM) 스위칭 주파수를 구현한다. 이러한 장점과 더불어 DRV7308의 높은 전력 효율 및 통합 기능은 모터 발열을 절감해서 안정성을 높이고 시스템 수명을 연장할 수 있다.
솔루션 크기와 비용 절감
점점 더 소형화되는 가전제품 트렌드를 지원하는 TI의 DRV7308은 엔지니어가 더 작은 모터 드라이브 시스템을 개발할 수 있도록 돕는다.

250W IGBT 솔루션 대비 DRV7308의 PCB 크기 감소
GaN 기술로 구현된 새로운 IPM은 12mm×12mm 패키지로 높은 전력 밀도를 제공하며 150W~250W 모터 드라이브 애플리케이션을 위한 업계에서 가장 작은 IPM이다.
특히, DRV7308은 높은 효율성으로 별도의 외부 방열판이 필요하지 않아 모터 드라이브 인버터 인쇄 회로 기판(PCB) 크기를 경쟁사 IPM 솔루션 대비 최대 55%까지 축소할 수 있다. 또한 전류 감지 증폭기, 보호 기능 및 인버터 스테이지를 통합해서 솔루션 크기와 비용을 더욱 절감했다.
<저작권자(c)스마트앤컴퍼니. 무단전재-재배포금지>
100자평 쓰기















