[기고] LDO 레귤레이터 선택할 때 알아 두면 좋은 몇 가지
2023-09-20 지홍 유(Zhihong Yu) 제품 마케팅 디렉터 / 아나로그디바이스(Analog Devices, Inc.)
잡음, 다양한 구현 옵션, 애플리케이션, 개발 동향까지 한 번에 확인
이 글에서는 LDO 레귤레이터를 선택할 때 알아 두면 유용한 몇 가지 주요 파라미터들을 소개한다. 이와 함께 특수한 저잡음 요건에서 스위칭 레귤레이터와 LDO 레귤레이터를 비교한다. 아울러 관련 업계 동향 및 다양한 구현 옵션을 설명하고, 끝으로 고성능 LDO 레귤레이터를 필요로 하는 애플리케이션 사례들을 소개한다.

대부분의 전자 장비는 장비의 정격 동작 전압보다 높은 전압을 제공하는 전원을 갖는다. 예를 들어 컴퓨터의 전원 어댑터는 110VAC/220VAC 콘센트에 플러그를 연결해서 1A 이하를 끌어낸다. 다양한 전력 반도체들을 사용해서 전압을 낮추는 일련의 강압(step down) 변환을 실시한 후, 컴퓨터의 프로세서는 최종적으로 1VDC 이하로 동작하면서 피크 시에 수 암페어를 소비한다. 이러한 경우, 시스템 내부에는 낮게는 1V 이하부터 높게는 12V에 이르기까지 서로 다른 많은 전압 레일이 사용된다.
이처럼 다양한 전자 애플리케이션에서 전원으로부터 제공되는 높은 입력 전압을 더 낮은 출력 전압으로 변환 및 제어하기 위해, LDO(low dropout) 레귤레이터가 널리 사용된다. LDO 레귤레이터는 어떤 전원 관리 교재에서나 맨 처음에 소개되는 것으로서, 흔히 매우 간단한 디바이스인 것으로 인식되지만, 회로 설계 엔지니어들이 LDO 레귤레이터를 선택할 때 전압 정격과 전류 정격 말고는 다른 중요한 기술적 특징들에 대해서 잘 모를 수 있다.
이 글에서는 LDO 레귤레이터에서 왜 낮은 잡음 수준이 요구되는지를 알아보고, 다양한 저잡음 전원 솔루션들에 대해 살펴보고, 저잡음 전원을 필요로 하는 주요 애플리케이션 사례들을 소개한다.
잡음 -발생 원인과 처리 방법
LDO 레귤레이터가 전원으로부터 다른 회로에 곧바로 연결되도록 사용되는 일은 거의 없다. 그렇게 하면 대부분의 경우에 전력 손실이 매우 클 것이다. 통상적으로 설계 엔지니어들은 전원 다음에 AC-DC 또는 DC-DC 스위칭 레귤레이터를 사용한다. 배터리 전원이든 AC 전원이든 전원 장치가 스위칭 레귤레이터로 전력을 공급할 때, 여기에는 자체적인 잡음이 있을 수 있고, 케이블이나 PCB에서 방사나 그 밖에 다른 여파로 인해 외부 잡음이 유입될 수도 있다.
설상가상으로, 스위칭 레귤레이터에서 이상적인 스위치란 결코 있을 수 없으며, 모든 스위칭 과정에서는 스파이크와 링잉이 발생하는데 이들은 궁극적으로 내부 잡음이 된다. 또한 스위칭 레귤레이터와 부하를 따로 떨어트려 배치할 때도 있는데, 이 경로를 따라서 추가적인 외부 잡음이 유입될 수도 있다.
이 레귤레이터 출력을 스텝다운하여 부하로 공급하기 위해, 흔히 LDO 레귤레이터를 사용한다. LDO 레귤레이터는 더 나은 변환을 달성하고 출력 리플을 억제한다. 또한 시스템의 여러 부하들이 서로 다른 전압을 필요로 할 수 있다. 이때 LDO 레귤레이터는 자신의 입력으로 전달되는 모든 잡음을 그대로 받게 되고, 또 자신이 자체적인 잡음을 발생할 수도 있으며, 이 모든 잡음이 적절히 처리되지 않는다면 그대로 부하로 전달될 수가 있다(그림 1).
그림 1. 전원장치에서 확인되는 잡음들
이 잡음의 주파수 스펙트럼과 진폭은 시뮬레이션하고 예측하기가 어렵기 때문에, 이 잡음이 민감한 부하 회로에 간섭을 일으킬 수 있다. 오디오 기기의 전원 장치를 교체했을 때 오디오 애호가들이 음질 차이를 느낀다고 말하는 이유가 바로 이 때문이다. 민감한 부하 회로의 또 다른 예로는 의료 장비, 테스트 장비, 통신, 자동차, 데이터센터에 사용되는 RF 증폭기, 클럭 및 타이밍 IC, SERDES, 정밀 아날로그 및 이미지 센서 등을 들 수 있다.
회로 설계 엔지니어들은 전원장치에서 발생하는 잡음을 낮추기 위해서 다양한 방법들을 동원해 왔다. 일례로 레귤레이터 전위나 후위에 페라이트 비드나 저역통과 필터를 추가해서 고주파 잡음을 필터링할 수 있다. 하지만 이러한 부품들을 추가하면 설계의 크기와 비용이 늘어난다. 설계 엔지니어가 초기 프로토타입 개발을 마친 다음에 이러한 필터가 필요하다는 것을 알게 된다면 일이 골치 아파질 것이다.
저잡음 설계를 달성할 수 있는 좋은 방법 중 하나는 아나로그디바이스(Analog Devices)의 사일런트 스위처(Silent Switcher?) 스위칭 레귤레이터를 사용하는 것이다. 이 제품은 잡음 제거 기술을 적용하면서도 크기, 효율, 부품 수에 부정적인 영향을 미치지 않는다. ADI 고유의 설계를 적용한 이 제품군은 이제 3세대 기술을 선보이고 있다. 1세대인 사일런트 스위처1 제품군은 서로 반대되는 극성을 가진 한 쌍의 스위칭 루프를 사용해서 자계를 상쇄한다.
2세대 제품군은 정밀 전원 커패시터를 도입해서 PCB 레이아웃 민감성을 제거한다. 최신 3세대 제품은 사일런트 스위처1 제품군의 특징을 그대로 유지하면서, 낮은 주파수에서 극히 낮은 잡음과 극히 빠른 과도응답을 달성한다. 사일런트 스위처 레귤레이터는 최대 65V의 입력 전압과 최대 30A의 부하 전류를 지원할 수 있으며, 벅, 부스트, 벅-부스트 토폴로지로 제공된다. 이 제품군에 관한 더 자세한 정보는 아나로그디바이스의 사일런트 스위처 제품 페이지에서 확인할 수 있다.
또 다른 좋은 방법은 저잡음 LDO 레귤레이터를 사용하는 것이다. 그림 2는 이러한 블록 다이어그램의 예이다. 이 저잡음 LDO 레귤레이터는 정밀 전류 레퍼런스와 고성능 전압 버퍼의 조합으로 설계되었다.
그림 2. 저잡음 LDO 레귤레이터의 블록 다이어그램
흔히 저잡음 LDO 레귤레이터는 PSRR, 총 적분 출력 잡음, 잡음 스펙트럼 밀도의 세 가지 특성을 기준으로 분류된다.
먼저, PSRR(power supply rejection ratio)은 입력 전압에 의해 발생하는 변동을 출력 전압에서 얼마나 제거할 수 있는가를 나타낸다(그림 3). PSRR은 특정 주파수에서 로그 형태로 표현하며, 부하와 입력/출력 전압에 따라 달라진다. 입력 잡음이 출력에 전달되지 않기를 바라는 것이 당연하기 때문에, PSRR이 높은 LDO 레귤레이터를 사용하는 것이 좋다.
높은 주파수에서의 PSRR은 LDO 레귤레이터 전위나 후위에 소형 저역통과 필터를 추가함으로써 향상할 수 있기 때문에, IC를 선택할 때는 낮은 주파수의 PSRR을 좀더 중요하게 고려해야 한다. IC를 선택할 때, 매 20dB의 차이가 리플 제거 과정에서는 100배의 차이로 나타난다는 것을 명심해야 한다(10log10100 = 20dB).
그림 3. 저잡음 LDO 레귤레이터의 PSRR
또 다른 중요 요소는 잡음 스펙트럼 밀도로서, 그림 4는 주파수에 따른 잡음 밀도를 그래프로 나타낸 것이다. 통신 관련 애플리케이션은 주파수 스펙트럼에 대한 규제가 적용된다. 그러므로 승인 시험을 통과하기 위해서는 잡음을 통제해야 한다. 특정 저주파수에서 주변 신호를 검출하고 처리하는 센서 애플리케이션들도 있다. 따라서 설계 엔지니어는 해당 주파수 부근에서 스펙트럼 잡음 밀도 곡선을 확인해야 한다.
그림 4: 주파수에 따른 잡음 밀도
마지막으로 살펴볼 요소는 총(적분) 출력 잡음으로, 이는 제한된 주파수 범위에 걸쳐서 스펙트럼 잡음 밀도를 적분했을 때의 rms 값이다. 아날로그-디지털 변환(ADC) 또는 디지털-아날로그 변환(DAC) 회로의 경우, DC에서부터 시스템 대역폭에 이르기까지 모든 LDO 레귤레이터 잡음이 적분되어 시스템 정확도에 영향을 미친다. 그러므로 이러한 애플리케이션에서는 총 출력 잡음이 중요하다. 그림 5는 LT3045의 적분 잡음을 보여주는데, 리튬이온 배터리보다 잡음이 낮다는 것을 알 수 있다.
다양한 구현 옵션
적어도 1개 이상의 첨단 프로세서와 기타 회로를 포함하는 거의 모든 애플리케이션은 여러 출력 레일들로 이루어진 복잡한 전원장치를 필요로 한다. 이럴 때 설계 엔지니어는 다중 출력을 지원하는 단일칩 PMIC(power management IC) 1개를 사용하거나, 단일 출력을 지원하는 레귤레이터를 여러 개 사용하거나, 아니면 여러 개의 LDO 레귤레이터를 사용하는 것과 같은 여러 옵션을 선택할 수 있다. 그런데 이들 출력 레일의 일부 또는 전부에 저잡음이 요구될 때는 선택이 좀더 까다로워진다.
이론상으로는, 스위칭 레귤레이터는 LDO 레귤레이터보다 효율적이고, LDO 레귤레이터는 회로 설계가 좀더 쉬운 것으로 알려져 있다. 하지만 현실은 이보다 훨씬 더 복잡하다. ADI의 AD9162를 예로 들어보자. AD9162는 텔레콤 및 계측기 시스템에 널리 사용되는 IC이다. 이 IC는 총 10개의 전원 레일을 필요로 한다. 아날로그 전원, 디지털 전원, SERDES 전원의 비율이 4:2:4이다. 이들 레일 중의 일부를 묶는다고 해도 최소한 6개 전원이 필요하다. 이 디바이스에서 아날로그 1.2V가 가장 잡음에 민감한 전원이고, 그 다음은 아날로그 2.5V와 아날로그 -1.2V 순이다.
이때 사용할 수 있는 한 가지 옵션은 최근에 출시된 18V/2A 정격 LT8622S나 5V/3A 정격 LTC3307B 같은 사일런트 스위처 레귤레이터를 사용하는 것이다. 이들 디바이스는 외부 필터를 추가할 필요 없이 저잡음 요구를 충족할 수 있다.
하지만 모든 레일에 사일런트 스위처 레귤레이터를 사용한다면 시스템 크기와 비용이 약간 늘어날 것이다. 고효율, 저비용, 크기 소형화, 저잡음을 모두 달성할 수 있는 또 다른 방법은 PMIC와 인버팅 레귤레이터를 1차 스테이지에 사용하는 것이다. 예를 들면 LTM4644, LTC3370, ADP5054(12V 버스) 같은 4출력 PMIC와 LT8330/ADP5073 같은 인버팅 레귤레이터 제품들이 있다. 그런 다음에, 1.2V VD를 제외하고 모든 민감한 전압 레일들에 각 출력 레일마다 저잡음 LDO 레귤레이터를 사용하면 된다(그림 6).
더 높은 전압 또는 전류 정격이 필요할 때는 LT8692S, LT8686S, LT8685S, LT7200S 같은 사일런트 스위처 4출력 PMIC를 사용할 수도 있다.
3.3VI/O와 -1.2VA로는 저잡음 LDO 레귤레이터를 그대로 두고, PMIC와 후위 LDO 레귤레이터들을 4개의 단일 채널 사일런트 스위처 레귤레이터로 대체할 수도 있다.
표 1은 설계 엔지니어의 선택을 돕기 위해서 저잡음 솔루션들의 특성을 요약 정리한 것이다. 일반적으로, 입력 소스가 매우 잡음이 심하거나, 부하 전류가 낮거나, 극히 낮은 출력 리플이 요구되거나, 극히 낮은 잡음이 요구될 때는 초저잡음 LDO 레귤레이터를 사용할 것을 권장한다.
부하 전류가 5A 이상일 경우, 설계 엔지니어들은 거의 전적으로 저잡음 PMIC나 스위칭 레귤레이터를 선호한다. 하지만 보다 높은 전류를 지원하기 위해서 LDO 레귤레이터를 병렬로 더 연결하는 방법도 있다.
부하 전류가 2~5A 일 때는 ADP7158/ADP7159, LT3073, MAX38907 같은 LDO 레귤레이터와 다양한 사일런트 스위처 레귤레이터 중에서 설계 엔지니어가 선호도에 따라 선택할 수 있다.
표 1. 저잡음 전원 솔루션 선택 가이드
애플리케이션
ADI는 저잡음 LDO 레귤레이터의 1위 기업이다. 리니어 테크놀로지(Linear Technology)와 맥심 인터그레이티드(Maxim Integrated)를 인수하면서 포트폴리오가 더욱 다양해졌다. 현재 ADI는 -20V ~ +20V 및 100mA ~ 5A까지 다양한 구성의 초저잡음 LDO 레귤레이터 제품들을 제공한다.
다음은 ADI의 수백 개 고객사 애플리케이션 사례들 중에서 대표적인 몇 가지를 추린 것이다:
-유명한 DSLR 카메라 제조사는 이미지 센서 구동에 저잡음 LDO 레귤레이터를 선택했다. 센서 신호 처리에 극히 낮은 잡음이 요구되었기 때문이다.
-아마존에서 잘 팔리는 열화상 카메라 제조사는 적외선 센서 구동에 저잡음 LDO 레귤레이터를 선택했다. 시중에서 구할 수 있는 제품 중 잡음이 가장 낮은 솔루션이었기 때문이다.
-첨단 운전자 보조 시스템(ADAS)을 공급하는 자동차 1차 부품협력사는 레이더와 RF 회로 구동에 저잡음 LDO 레귤레이터를 선택했다(ADI는 이 고객에게 일체의 AEC 인증 전원 솔루션을 제공한다).
-내시경 장비를 공급하는 고객은 저잡음, 소형 솔루션 크기라는 장점 때문에 저잡음 LDO 레귤레이터를 선택했다.
-반도체 자동화 테스트 장비(ATE) 고객은 ASIC 구동에 ADI 전원 모듈과 LDO 레귤레이터를 선택했다.
-게임용 헤드폰 고객은 오디오 DAC 구동에 저잡음 LDO 레귤레이터를 선택했다.
-프린터 고객은 낮은 리플을 위해서 저잡음 LDO 레귤레이터를 선택했다.
-유량계 고객은 높은 PSRR과 낮은 리플을 위해 저잡음 LDO 레귤레이터를 선택했다.
-매시브 MIMO 고객은 GaN 전력 증폭기 구동에 저잡음 LDO 레귤레이터를 선택했다.
대체로 대부분의 민감한 애플리케이션은 저잡음 전원장치를 필요로 하는데, 설계 엔지니어들은 자신이 설계하는 시스템에 추가적인 여유를 확보하기 위해서도 저잡음 전원 IC를 선호한다고 말한다. 만약에 지금 진행 중인 설계 프로젝트에서 어떠한 간섭 문제가 발생했다면 가장 먼저 확인해야 할 것이 전원장치이다.
LDO 레귤레이터의 계속되는 진화
ADI는 잡음이 극히 낮고 PSRR이 극히 높은 많은 LDO 레귤레이터 제품들을 제공한다. 또한 높은 항복 전압(breakdown voltage), 낮은 대기 전류, 그리고 업스트림 DC-DC가 LDO 레귤레이터 부하를 추적할 수 있도록 하는 적응형 핀 같은 다양한 기능들을 특징으로 하는 수백 종의 다양한 LDO 레귤레이터 제품들을 개발 및 판매한다.
그럼에도 불구하고 시장은 끊임없이 더 많은 기능을 포함하고 더 성능이 우수한 LDO 레귤레이터를 원하고 있다. 고객들은 LDO 레귤레이터에 대해 계속해서 더 낮은 전압, 더 많은 채널, 디지털 구성가능성, 더 빠른 과도 응답 같은 특성들을 요구한다. LDO 레귤레이터는 단순한 디바이스라고 생각하기 쉽지만, 이는 결코 사라지지 않을 것이고 다른 모든 반도체들과 함께 계속해서 진화할 것이다.
이 글과 관련해서 궁금한 점이나 지원에 관해서는 ADI 지사나 대리점에 문의할 수 있다. ADI의 더 많은 LDO 제품들에 대한 정보는 LDO 선형 레귤레이터 파라미터 검색 및 LDO 플러스 제품 포트폴리오 페이지에서 확인할 수 있다.
# 저자 소개
지홍 유(Zhihong Yu)는 아나로그디바이스(Analog Devices)의 제품 마케팅 디렉터이다. 전원관리, 아날로그, 혼성신호 반도체 분야에서 16년 넘게 경험을 쌓고 있다. 40가지가 넘는 IC 개발을 책임지고 이끌었다. ADI 이전에는 르네사스 일렉트로닉스(Renesas Electronics), 모놀리식 파워 시스템(Monolithic Power Systems), 인피니언 테크놀로지스(Infineon Technologies)에서 다양한 엔지니어링 및 영업 직책을 역임했다.
이 글에서는 LDO 레귤레이터를 선택할 때 알아 두면 유용한 몇 가지 주요 파라미터들을 소개한다. 이와 함께 특수한 저잡음 요건에서 스위칭 레귤레이터와 LDO 레귤레이터를 비교한다. 아울러 관련 업계 동향 및 다양한 구현 옵션을 설명하고, 끝으로 고성능 LDO 레귤레이터를 필요로 하는 애플리케이션 사례들을 소개한다.

대부분의 전자 장비는 장비의 정격 동작 전압보다 높은 전압을 제공하는 전원을 갖는다. 예를 들어 컴퓨터의 전원 어댑터는 110VAC/220VAC 콘센트에 플러그를 연결해서 1A 이하를 끌어낸다. 다양한 전력 반도체들을 사용해서 전압을 낮추는 일련의 강압(step down) 변환을 실시한 후, 컴퓨터의 프로세서는 최종적으로 1VDC 이하로 동작하면서 피크 시에 수 암페어를 소비한다. 이러한 경우, 시스템 내부에는 낮게는 1V 이하부터 높게는 12V에 이르기까지 서로 다른 많은 전압 레일이 사용된다.
이처럼 다양한 전자 애플리케이션에서 전원으로부터 제공되는 높은 입력 전압을 더 낮은 출력 전압으로 변환 및 제어하기 위해, LDO(low dropout) 레귤레이터가 널리 사용된다. LDO 레귤레이터는 어떤 전원 관리 교재에서나 맨 처음에 소개되는 것으로서, 흔히 매우 간단한 디바이스인 것으로 인식되지만, 회로 설계 엔지니어들이 LDO 레귤레이터를 선택할 때 전압 정격과 전류 정격 말고는 다른 중요한 기술적 특징들에 대해서 잘 모를 수 있다.
이 글에서는 LDO 레귤레이터에서 왜 낮은 잡음 수준이 요구되는지를 알아보고, 다양한 저잡음 전원 솔루션들에 대해 살펴보고, 저잡음 전원을 필요로 하는 주요 애플리케이션 사례들을 소개한다.
잡음 -발생 원인과 처리 방법
LDO 레귤레이터가 전원으로부터 다른 회로에 곧바로 연결되도록 사용되는 일은 거의 없다. 그렇게 하면 대부분의 경우에 전력 손실이 매우 클 것이다. 통상적으로 설계 엔지니어들은 전원 다음에 AC-DC 또는 DC-DC 스위칭 레귤레이터를 사용한다. 배터리 전원이든 AC 전원이든 전원 장치가 스위칭 레귤레이터로 전력을 공급할 때, 여기에는 자체적인 잡음이 있을 수 있고, 케이블이나 PCB에서 방사나 그 밖에 다른 여파로 인해 외부 잡음이 유입될 수도 있다.
설상가상으로, 스위칭 레귤레이터에서 이상적인 스위치란 결코 있을 수 없으며, 모든 스위칭 과정에서는 스파이크와 링잉이 발생하는데 이들은 궁극적으로 내부 잡음이 된다. 또한 스위칭 레귤레이터와 부하를 따로 떨어트려 배치할 때도 있는데, 이 경로를 따라서 추가적인 외부 잡음이 유입될 수도 있다.
이 레귤레이터 출력을 스텝다운하여 부하로 공급하기 위해, 흔히 LDO 레귤레이터를 사용한다. LDO 레귤레이터는 더 나은 변환을 달성하고 출력 리플을 억제한다. 또한 시스템의 여러 부하들이 서로 다른 전압을 필요로 할 수 있다. 이때 LDO 레귤레이터는 자신의 입력으로 전달되는 모든 잡음을 그대로 받게 되고, 또 자신이 자체적인 잡음을 발생할 수도 있으며, 이 모든 잡음이 적절히 처리되지 않는다면 그대로 부하로 전달될 수가 있다(그림 1).
그림 1. 전원장치에서 확인되는 잡음들
이 잡음의 주파수 스펙트럼과 진폭은 시뮬레이션하고 예측하기가 어렵기 때문에, 이 잡음이 민감한 부하 회로에 간섭을 일으킬 수 있다. 오디오 기기의 전원 장치를 교체했을 때 오디오 애호가들이 음질 차이를 느낀다고 말하는 이유가 바로 이 때문이다. 민감한 부하 회로의 또 다른 예로는 의료 장비, 테스트 장비, 통신, 자동차, 데이터센터에 사용되는 RF 증폭기, 클럭 및 타이밍 IC, SERDES, 정밀 아날로그 및 이미지 센서 등을 들 수 있다.
회로 설계 엔지니어들은 전원장치에서 발생하는 잡음을 낮추기 위해서 다양한 방법들을 동원해 왔다. 일례로 레귤레이터 전위나 후위에 페라이트 비드나 저역통과 필터를 추가해서 고주파 잡음을 필터링할 수 있다. 하지만 이러한 부품들을 추가하면 설계의 크기와 비용이 늘어난다. 설계 엔지니어가 초기 프로토타입 개발을 마친 다음에 이러한 필터가 필요하다는 것을 알게 된다면 일이 골치 아파질 것이다.
저잡음 설계를 달성할 수 있는 좋은 방법 중 하나는 아나로그디바이스(Analog Devices)의 사일런트 스위처(Silent Switcher?) 스위칭 레귤레이터를 사용하는 것이다. 이 제품은 잡음 제거 기술을 적용하면서도 크기, 효율, 부품 수에 부정적인 영향을 미치지 않는다. ADI 고유의 설계를 적용한 이 제품군은 이제 3세대 기술을 선보이고 있다. 1세대인 사일런트 스위처1 제품군은 서로 반대되는 극성을 가진 한 쌍의 스위칭 루프를 사용해서 자계를 상쇄한다.
2세대 제품군은 정밀 전원 커패시터를 도입해서 PCB 레이아웃 민감성을 제거한다. 최신 3세대 제품은 사일런트 스위처1 제품군의 특징을 그대로 유지하면서, 낮은 주파수에서 극히 낮은 잡음과 극히 빠른 과도응답을 달성한다. 사일런트 스위처 레귤레이터는 최대 65V의 입력 전압과 최대 30A의 부하 전류를 지원할 수 있으며, 벅, 부스트, 벅-부스트 토폴로지로 제공된다. 이 제품군에 관한 더 자세한 정보는 아나로그디바이스의 사일런트 스위처 제품 페이지에서 확인할 수 있다.
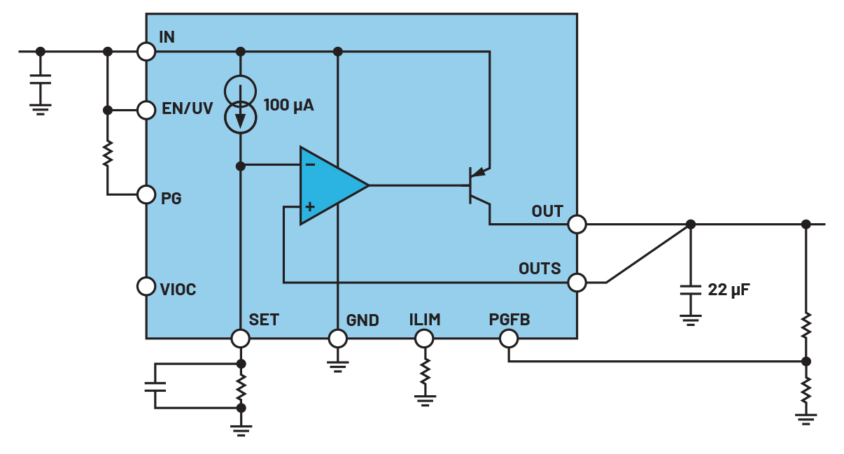
또 다른 좋은 방법은 저잡음 LDO 레귤레이터를 사용하는 것이다. 그림 2는 이러한 블록 다이어그램의 예이다. 이 저잡음 LDO 레귤레이터는 정밀 전류 레퍼런스와 고성능 전압 버퍼의 조합으로 설계되었다.
그림 2. 저잡음 LDO 레귤레이터의 블록 다이어그램
흔히 저잡음 LDO 레귤레이터는 PSRR, 총 적분 출력 잡음, 잡음 스펙트럼 밀도의 세 가지 특성을 기준으로 분류된다.
먼저, PSRR(power supply rejection ratio)은 입력 전압에 의해 발생하는 변동을 출력 전압에서 얼마나 제거할 수 있는가를 나타낸다(그림 3). PSRR은 특정 주파수에서 로그 형태로 표현하며, 부하와 입력/출력 전압에 따라 달라진다. 입력 잡음이 출력에 전달되지 않기를 바라는 것이 당연하기 때문에, PSRR이 높은 LDO 레귤레이터를 사용하는 것이 좋다.
높은 주파수에서의 PSRR은 LDO 레귤레이터 전위나 후위에 소형 저역통과 필터를 추가함으로써 향상할 수 있기 때문에, IC를 선택할 때는 낮은 주파수의 PSRR을 좀더 중요하게 고려해야 한다. IC를 선택할 때, 매 20dB의 차이가 리플 제거 과정에서는 100배의 차이로 나타난다는 것을 명심해야 한다(10log10100 = 20dB).
그림 3. 저잡음 LDO 레귤레이터의 PSRR
또 다른 중요 요소는 잡음 스펙트럼 밀도로서, 그림 4는 주파수에 따른 잡음 밀도를 그래프로 나타낸 것이다. 통신 관련 애플리케이션은 주파수 스펙트럼에 대한 규제가 적용된다. 그러므로 승인 시험을 통과하기 위해서는 잡음을 통제해야 한다. 특정 저주파수에서 주변 신호를 검출하고 처리하는 센서 애플리케이션들도 있다. 따라서 설계 엔지니어는 해당 주파수 부근에서 스펙트럼 잡음 밀도 곡선을 확인해야 한다.
그림 4: 주파수에 따른 잡음 밀도
마지막으로 살펴볼 요소는 총(적분) 출력 잡음으로, 이는 제한된 주파수 범위에 걸쳐서 스펙트럼 잡음 밀도를 적분했을 때의 rms 값이다. 아날로그-디지털 변환(ADC) 또는 디지털-아날로그 변환(DAC) 회로의 경우, DC에서부터 시스템 대역폭에 이르기까지 모든 LDO 레귤레이터 잡음이 적분되어 시스템 정확도에 영향을 미친다. 그러므로 이러한 애플리케이션에서는 총 출력 잡음이 중요하다. 그림 5는 LT3045의 적분 잡음을 보여주는데, 리튬이온 배터리보다 잡음이 낮다는 것을 알 수 있다.
그림 5. 적분 출력 잡음(10Hz ~ 100kHz). 저잡음 LDO 레귤레이터 LT3045가 배터리보다 잡음이 낮다는 것을 알 수 있다.
다양한 구현 옵션
적어도 1개 이상의 첨단 프로세서와 기타 회로를 포함하는 거의 모든 애플리케이션은 여러 출력 레일들로 이루어진 복잡한 전원장치를 필요로 한다. 이럴 때 설계 엔지니어는 다중 출력을 지원하는 단일칩 PMIC(power management IC) 1개를 사용하거나, 단일 출력을 지원하는 레귤레이터를 여러 개 사용하거나, 아니면 여러 개의 LDO 레귤레이터를 사용하는 것과 같은 여러 옵션을 선택할 수 있다. 그런데 이들 출력 레일의 일부 또는 전부에 저잡음이 요구될 때는 선택이 좀더 까다로워진다.
이론상으로는, 스위칭 레귤레이터는 LDO 레귤레이터보다 효율적이고, LDO 레귤레이터는 회로 설계가 좀더 쉬운 것으로 알려져 있다. 하지만 현실은 이보다 훨씬 더 복잡하다. ADI의 AD9162를 예로 들어보자. AD9162는 텔레콤 및 계측기 시스템에 널리 사용되는 IC이다. 이 IC는 총 10개의 전원 레일을 필요로 한다. 아날로그 전원, 디지털 전원, SERDES 전원의 비율이 4:2:4이다. 이들 레일 중의 일부를 묶는다고 해도 최소한 6개 전원이 필요하다. 이 디바이스에서 아날로그 1.2V가 가장 잡음에 민감한 전원이고, 그 다음은 아날로그 2.5V와 아날로그 -1.2V 순이다.
이때 사용할 수 있는 한 가지 옵션은 최근에 출시된 18V/2A 정격 LT8622S나 5V/3A 정격 LTC3307B 같은 사일런트 스위처 레귤레이터를 사용하는 것이다. 이들 디바이스는 외부 필터를 추가할 필요 없이 저잡음 요구를 충족할 수 있다.
하지만 모든 레일에 사일런트 스위처 레귤레이터를 사용한다면 시스템 크기와 비용이 약간 늘어날 것이다. 고효율, 저비용, 크기 소형화, 저잡음을 모두 달성할 수 있는 또 다른 방법은 PMIC와 인버팅 레귤레이터를 1차 스테이지에 사용하는 것이다. 예를 들면 LTM4644, LTC3370, ADP5054(12V 버스) 같은 4출력 PMIC와 LT8330/ADP5073 같은 인버팅 레귤레이터 제품들이 있다. 그런 다음에, 1.2V VD를 제외하고 모든 민감한 전압 레일들에 각 출력 레일마다 저잡음 LDO 레귤레이터를 사용하면 된다(그림 6).
그림 6. 잡음에 민감한 DAC를 구동하기 위한 저잡음 전원 솔루션
더 높은 전압 또는 전류 정격이 필요할 때는 LT8692S, LT8686S, LT8685S, LT7200S 같은 사일런트 스위처 4출력 PMIC를 사용할 수도 있다.
3.3VI/O와 -1.2VA로는 저잡음 LDO 레귤레이터를 그대로 두고, PMIC와 후위 LDO 레귤레이터들을 4개의 단일 채널 사일런트 스위처 레귤레이터로 대체할 수도 있다.
표 1은 설계 엔지니어의 선택을 돕기 위해서 저잡음 솔루션들의 특성을 요약 정리한 것이다. 일반적으로, 입력 소스가 매우 잡음이 심하거나, 부하 전류가 낮거나, 극히 낮은 출력 리플이 요구되거나, 극히 낮은 잡음이 요구될 때는 초저잡음 LDO 레귤레이터를 사용할 것을 권장한다.
부하 전류가 5A 이상일 경우, 설계 엔지니어들은 거의 전적으로 저잡음 PMIC나 스위칭 레귤레이터를 선호한다. 하지만 보다 높은 전류를 지원하기 위해서 LDO 레귤레이터를 병렬로 더 연결하는 방법도 있다.
부하 전류가 2~5A 일 때는 ADP7158/ADP7159, LT3073, MAX38907 같은 LDO 레귤레이터와 다양한 사일런트 스위처 레귤레이터 중에서 설계 엔지니어가 선호도에 따라 선택할 수 있다.
표 1. 저잡음 전원 솔루션 선택 가이드
| | PMIC | 스위칭 레귤레이터 | LDO 레귤레이터 |
| 저잡음 특성 | 사일런트 스위처 2 | 사일런트 스위처 1, 사일런트 스위처 2, 사일런트 스위처 3 | 초저잡음 |
| 전압/전류 | 최대 42V, 5A | 최대 65V, 30A | -20V ~ +20V, 최대 5A |
| 동적 응답 | 빠름 | 빠름 | 느림 |
| 효율 | 높음 | 높음 | 낮음 |
| 솔루션 크기 | 작음 | 중간 | 작음 |
| 토폴로지 | 벅 | 벅, 부스트, 벅-부스트 | LDO 레귤레이터 |
| 리플 | 중간 | 중간 | 낮음 |
| 잡음 | 낮음 | 더 낮음 | 가장 낮음 |
| 비용 | 중간 | 중간 | 낮음 |
애플리케이션
ADI는 저잡음 LDO 레귤레이터의 1위 기업이다. 리니어 테크놀로지(Linear Technology)와 맥심 인터그레이티드(Maxim Integrated)를 인수하면서 포트폴리오가 더욱 다양해졌다. 현재 ADI는 -20V ~ +20V 및 100mA ~ 5A까지 다양한 구성의 초저잡음 LDO 레귤레이터 제품들을 제공한다.
다음은 ADI의 수백 개 고객사 애플리케이션 사례들 중에서 대표적인 몇 가지를 추린 것이다:
-유명한 DSLR 카메라 제조사는 이미지 센서 구동에 저잡음 LDO 레귤레이터를 선택했다. 센서 신호 처리에 극히 낮은 잡음이 요구되었기 때문이다.
-아마존에서 잘 팔리는 열화상 카메라 제조사는 적외선 센서 구동에 저잡음 LDO 레귤레이터를 선택했다. 시중에서 구할 수 있는 제품 중 잡음이 가장 낮은 솔루션이었기 때문이다.
-첨단 운전자 보조 시스템(ADAS)을 공급하는 자동차 1차 부품협력사는 레이더와 RF 회로 구동에 저잡음 LDO 레귤레이터를 선택했다(ADI는 이 고객에게 일체의 AEC 인증 전원 솔루션을 제공한다).
-내시경 장비를 공급하는 고객은 저잡음, 소형 솔루션 크기라는 장점 때문에 저잡음 LDO 레귤레이터를 선택했다.
-반도체 자동화 테스트 장비(ATE) 고객은 ASIC 구동에 ADI 전원 모듈과 LDO 레귤레이터를 선택했다.
-게임용 헤드폰 고객은 오디오 DAC 구동에 저잡음 LDO 레귤레이터를 선택했다.
-프린터 고객은 낮은 리플을 위해서 저잡음 LDO 레귤레이터를 선택했다.
-유량계 고객은 높은 PSRR과 낮은 리플을 위해 저잡음 LDO 레귤레이터를 선택했다.
-매시브 MIMO 고객은 GaN 전력 증폭기 구동에 저잡음 LDO 레귤레이터를 선택했다.
대체로 대부분의 민감한 애플리케이션은 저잡음 전원장치를 필요로 하는데, 설계 엔지니어들은 자신이 설계하는 시스템에 추가적인 여유를 확보하기 위해서도 저잡음 전원 IC를 선호한다고 말한다. 만약에 지금 진행 중인 설계 프로젝트에서 어떠한 간섭 문제가 발생했다면 가장 먼저 확인해야 할 것이 전원장치이다.
LDO 레귤레이터의 계속되는 진화
ADI는 잡음이 극히 낮고 PSRR이 극히 높은 많은 LDO 레귤레이터 제품들을 제공한다. 또한 높은 항복 전압(breakdown voltage), 낮은 대기 전류, 그리고 업스트림 DC-DC가 LDO 레귤레이터 부하를 추적할 수 있도록 하는 적응형 핀 같은 다양한 기능들을 특징으로 하는 수백 종의 다양한 LDO 레귤레이터 제품들을 개발 및 판매한다.
그럼에도 불구하고 시장은 끊임없이 더 많은 기능을 포함하고 더 성능이 우수한 LDO 레귤레이터를 원하고 있다. 고객들은 LDO 레귤레이터에 대해 계속해서 더 낮은 전압, 더 많은 채널, 디지털 구성가능성, 더 빠른 과도 응답 같은 특성들을 요구한다. LDO 레귤레이터는 단순한 디바이스라고 생각하기 쉽지만, 이는 결코 사라지지 않을 것이고 다른 모든 반도체들과 함께 계속해서 진화할 것이다.
이 글과 관련해서 궁금한 점이나 지원에 관해서는 ADI 지사나 대리점에 문의할 수 있다. ADI의 더 많은 LDO 제품들에 대한 정보는 LDO 선형 레귤레이터 파라미터 검색 및 LDO 플러스 제품 포트폴리오 페이지에서 확인할 수 있다.
# 저자 소개
지홍 유(Zhihong Yu)는 아나로그디바이스(Analog Devices)의 제품 마케팅 디렉터이다. 전원관리, 아날로그, 혼성신호 반도체 분야에서 16년 넘게 경험을 쌓고 있다. 40가지가 넘는 IC 개발을 책임지고 이끌었다. ADI 이전에는 르네사스 일렉트로닉스(Renesas Electronics), 모놀리식 파워 시스템(Monolithic Power Systems), 인피니언 테크놀로지스(Infineon Technologies)에서 다양한 엔지니어링 및 영업 직책을 역임했다.
<저작권자(c)스마트앤컴퍼니. 무단전재-재배포금지>
본 기사의 전문은 PDF문서로 제공합니다.
(로그인필요)
다운로드한 PDF문서를 웹사이트, 카페, 블로그등을 통해 재배포하는 것을 금합니다. (비상업적 용도 포함)
다운로드한 PDF문서를 웹사이트, 카페, 블로그등을 통해 재배포하는 것을 금합니다. (비상업적 용도 포함)
100자평 쓰기















