LT8610A와 LT8610AB는 필요한 부품 수를 줄이고, 최소 입력 전압과 정지 전류가 낮고, 넓은 로드 범위에 걸쳐 높은 효율을 달성한다. 이러한 특성을 조합함으로써 자동차 애플리케이션에서 DDR 메모리로 대기 전력을 공급하고자 할 때 이용하기에 적합한 솔루션을 제공한다.
소비자들은 랩톱이나 스마트폰을 켤 때 부팅하는 데 시간이 걸릴 것이라고 생각하고 기다리는 것을 당연하게 생각한다. 하지만 자동차의 시동을 켤 때는 그렇게 참을성 있게 기다리지 못한다. 자동차의 경우, 소비자들이 내비게이션이나 인포테인먼트 시스템 같은 컴퓨터 전자 장치를 즉각적으로 이용할 수 있기를 원하므로 자동차 제조사들은 스타트업 시간을 단축하는 설계 전략을 이용해서 이러한 요구를 충족하도록 애쓰고 있다. 그러한 전략이 바로 시동이 꺼져 있는 상태를 비롯해서 모든 시간에 동적 메모리(RAM)를 작동 상태로 유지하는 것이다.
자동차에 이용되는 DDR3 메모리는 1.5 V 레일로 동작하며 피크 로드 전류가 2 A 이상에 이른다. 열 발생을 최소화하기 위해서는 이 로드 전류를 고효율 DC/DC 컨버터를 이용해서 발생시키는 것이 바람직하다. 이들 애플리케이션에서는 또한 자동차를 주행하지 않을 때 배터리를 절약하기 위해서 경부하 시 효율 역시 마찬가지로 중요하다. DDR 메모리는 대기 시에 1.5 V 레일로부터 1 mA~10 mA를 소모할 수 있는데, 자동차가 장시간 주차하고 있을 때는 배터리로부터 10 mA를 인출한다는 것이 허용 불가능할 수 있다.
이러한 제약 때문에 입력 전류와 출력 전류가 동일한 선형 레귤레이터는 사용이 배제된다. 반면에 스위칭 스텝다운(벅) 레귤레이터는 스텝다운 비율에 비례해서 로드 전류보다 낮은 입력 전류를 인출할 수 있다:

여기서 η은 효율 계수이다(0~1).
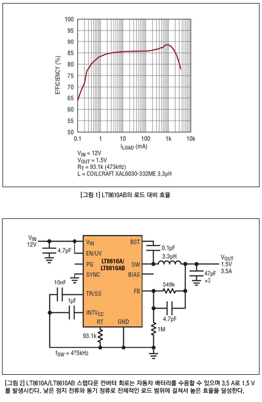
그림 1에서는 LT8610AB 동기 스텝다운 레귤레이터가 1 mA 로드일 때 효율이 83%에 이른다는 것을 알 수 있다. 배터리 전압이 12 V이고 로드 전류가 1.5 V로 1 mA이면 입력 전류는 불과 151 μA인 것으로 계산된다.
자동차 배터리에서 1.5V DDR 메모리로 직접적인 DC/DC 변환
LT8610A와 LT8610AB는 자동차 시스템에 이용하기에 적합하도록 설계된 모놀리식 동기 스텝다운 레귤레이터이다. 이들 디바이스 제품은 3.5 A를 공급할 수 있으며 2.5 μA 정지 전류만을 소모한다. 이들 제품을 이용함으로써 간편하게 회로를 구현할 수 있다. 추가적인 반도체를 필요로 하지 않으며 저가의 세라믹 커패시터를 이용할 수 있고 MSOP 패키지로 리드를 제공하므로 솔더링과 검사가 용이하다. 정격 최소 온-시간이 30 ns(최대 45 ns 보장)이므로 높은 스텝다운 비율로 콤팩트한 고주파 스위칭 주파수 벅 레귤레이터를 설계할 수 있다. 그림 2는 1.5 V로 3.5 A를 공급하는 애플리케이션을 보여준다. 동작 주파수는 475 kHz로서 효율을 극대화하고 AM 라디오 대역보다 낮도록 한다.
이들 디바이스 제품은 자동차 환경에 대해서 뛰어난 결함 허용오차를 제공한다. 42 V의 최대 입력은 로드 덤프를 처리할 수 있도록 한다. 견고한 스위치 디자인 및 고속 전류 비교기는 디바이스를 출력 단락으로부터 보호할 수 있도록 한다. 최소 입력은 최악 상황 3.4 V이고, 최대 듀티 사이클은 99% 이상이고, 드롭아웃 전압은 1 A일 때 200 mA 정격이다. 이러한 특성들을 조합함으로써 콜드 크랭크 시에 출력을 레귤레이션 상태로 유지할 수 있도록 한다. 그림 3은 정격 최소 입력 전압을 보여준다.

리플이 낮은 버스트 모드 동작과 최소한의 정지 전류로 배터리 절약
LT8610A와 LT8610AB는 전체 로드 범위에 대해 출력 전압 리플을 최소화할 수 있도록 설계되었다. 경부하일 때는 동작 주파수를 낮추고 Burst Mode짋 동작이 됨으로써 효율을 유지할 수 있다. 매우 낮은 로드에 대해서도 신속한 트랜션트 응답을 유지한다. 이러한 특징에 더해서 정지 전류가 2.5 μA로 극히 낮으므로 수 μA의 로드에 이르기까지 LT8610A 및 LT8610AB가 제로 정지 전류의 선형 레귤레이터보다 더 효율적이다. 저주파 동작을 피해야 하는 시스템의 경우에는 SYNC 핀으로 로직 하이 신호나 클록 신호를 적용함으로써 Burst Mode 동작을 끌 수 있다.
LT8610A와 LT8610AB의 차이점은 LT8610AB가 경부하 시 효율이 더 높다는 것이다. 이것은 더 높은 Burst Mode 전류 한계를 이용함으로써 매 스위칭 사이클에 더 높은 에너지가 공급되도록 하고 특정 로드에 대해서 스위칭 주파수를 낮춤으로써 달성되는 것이다. MOSFET을 온 및 오프로 스위칭하기 위해서 고정적인 에너지가 필요하므로 스위칭 주파수가 낮아지면 게이트 충전 손실을 낮추고 효율을 높일 수 있다.
그림 4는 LT8610A와 LT8610AB의 효율 차이를 보여준다. 1 mA에서 100 mA 사이의 로드일 때는 LT8610AB가 LT8610A에 비해서 효율을 10% 이상 향상시킨다. 하지만 Burst Mode 전류 한계를 높이는 대가로서 매 스위칭 사이클에 더 높은 에너지가 공급되므로 출력 전압 리플을 낮게 유지하기 위해서 더 높은 출력 커패시턴스를 필요로 한다. 그림 5는 10 mA 로드일 때 2개 인덕터 값에 대해서 출력 커패시턴스에 따른 LT8610A와 LT8610AB의 출력 리플을 비교해서 보여주고 있다.
전류 한계와 더불어서 인덕터 선택이 Burst Mode 동작 시의 효율 및 스위칭 주파수에 영향을 미친다. 이것은 고정적인 전류 한계라고 했을 때 더 높은 인덕터 값일수록 낮은 값일 때보다 더 높은 에너지를 저장할 수 있기 때문이다. 경부하 조건에서 높은 효율이 중요하게 요구될 때는 인덕터 값을 데이터 시트에서 권장하고 있는 추천치보다 높일 수 있다.

더 소형화된 솔루션으로 더 빠른 동작 가능
대다수 자동차 시스템은 9 V~16 V가 통상적인 입력 전압이므로 애플리케이션 회로들이 이 범위에 이용하도록 최적화돼 있다. 그림 2의 475 kHz 애플리케이션은 3.5 V~42 V의 전체적인 입력 범위에 걸쳐서 지정된 주파수로 동작한다. 하지만 정상 동작 전압을 16 V(42 V 트랜션트)로 제한하면 동작 주파수를 높일 수 있고 인덕터의 값과 크기를 줄일 수 있다. 45 ns의 최악 조건 최소 온-시간을 적용해서 LT8610A와 LT8610AB를 그림 6에서 보는 것과 같이 2 MHz로 프로그램 할 수 있다.
이 솔루션은 입력 전압이 16 V보다 높아지더라도 출력이 레귤레이션 상태를 유지할 수 있다. 다만 안전한 동작을 유지하기 위해서 스위칭 주파수가 낮아진다. 2 MHz 솔루션은 그림 2의 회로와 동일한데, 단지 RT 저항을 18.2 kΩ으로 변경하고 인덕터의 값과 크기를 낮춤으로써 공간을 절약하도록 했다. 그림 7은 2개 인덕터에 대해서 로드 대비 효율을 보여주고 있다.

BIAS 핀을 이용한 효율 최적화
LT8610A와 LT8610AB는 자동차 애플리케이션에 이용하도록 최적화된 2개의 내부 nMOSFET을 포함한다. 특히 게이트 구동 회로가 3 V 미만을 필요로 한다. 게이트 구동 전원을 발생시키기 위해서 LT8610A/AB는 내부 선형 전압 레귤레이터를 포함하며, 이 출력이 INTVCC 핀이다(INTVCC를 외부 회로를 이용해서 구동하지 않도록 한다).
중요한 점으로서 이 내부 레귤레이터는 VIN 핀 또는 BIAS 핀으로부터 전류를 인출할 수 있다. BIAS 핀을 개방 상태로 하면 게이트 구동 전류를 VIN으로부터 인출한다. 그렇지 않고 BIAS 핀으로 3.1 V 이상의 전압이 연결되면 BIAS로부터 게이트 구동 전류를 인출한다. BIAS 전압이 VIN보다 낮으면 내부 선형 레귤레이터가 더 낮은 전압 전원을 이용해서 더 효율적으로 동작함으로써 전반적인 효율을 향상시킨다.
그림 1, 그림 4, 그림 7의 효율 데이터는 BIAS 핀이 개방 상태일 때이다. 1.5 V 출력이 유일하게 작동하는 레일이라면 BIAS 핀을 연결하기에 적합한 지점이 없을 수 있다. 하지만 3.3 V 또는 5 V 전원이라면 대기 시에 또는 시동이 꺼져 있을 때 이 전원을 이용할 수 없다 하더라도 이 전원을 BIAS 핀으로 연결한다. 그림 8은 3.3 V 전원을 BIAS 핀으로 연결했을 때와 연결하지 않았을 때의 효율을 보여준다. 총 효율 계산에 3.3 V 레일로부터 인출되는 전력을 포함시켰으며, 이 전력이 85% 효율로 발생되는 것으로 간주했다.
동작 주파수가 높을수록 외부 구동 BIAS를 이용하는 것이 더 유리하다. 게이트 구동 전류가 더 높기 때문이다. 또한 LT8610AB에 비해서 LT8610A가 외부 바이어스를 이용하는 것이 더 유리하다. LT8610AB는 Burst Mode 전류 한계를 높임으로써 특정 로드에 대해서 동작 주파수를 낮출 수 있다.

메모리 이외 분야에 적용 가능
LT8610AB는 그림 9에서 보듯이 90% 이상에 달하는 효율을 달성하므로 3.3 V 및 5 V 전원을 포함한 여타 자동차 전원에 이용하기에 뛰어난 레귤레이터 솔루션을 제공한다.
자동차 애플리케이션을 설계할 때 중요한 고려사항은 콜드 크랭크나 idle-stop 트랜션트 시의 전원장치 동작이다. 이러한 이벤트 시에 12 V 배터리의 전압이 4 V 아래로 떨어질 수 있다. LT8610AB는 최대 99% 듀티 사이클로 동작함으로써 아주 낮은 입력 전압으로도 출력 레귤레이션을 유지할 수 있도록 한다. 그림 10(a)는 드롭아웃 전압을 보여준다. 이것은 입력 전압이 의도하는 출력 레귤레이션 전압을 향해서 감소할 때 VIN과 VOUT 사이의 차이다. LT8610AB는 또한 뛰어난 스타트업 및 드롭아웃 동작을 제공함으로써 입력 전압에 대해서 예측성과 신뢰성이 뛰어난 출력 전압을 제공한다. 그림 10(b)는 입력 전원이 제로에서 10 V로 상승했다가 다시 제로로 하강할 때 출력 전압을 보여준다.

결론
LT8610A와 LT8610AB는 필요한 부품 수를 줄이고, 최소 입력 전압과 정지 전류가 낮고, 넓은 로드 범위에 걸쳐서 높은 효율을 달성한다. 이러한 특성을 조합함으로써 자동차 애플리케이션에서 DDR 메모리로 대기 전력을 공급하고자 할 때 이용하기에 적합한 솔루션을 제공한다. 표 1은 LT8610 제품군의 성능을 요약해서 보여주고 있다. ES

<저작권자(c)스마트앤컴퍼니. 무단전재-재배포금지>
