[기고] 노후 배터리 측정, 왜 저전력 e-Mobility 성능을 위해 중요한가
2024-04-02 신윤오 기자, yoshin@elec4.co.kr
e-mobility 차량과 관련해, 배터리 성능을 정확하게 측정하는 것은 저전력 차량의 배터리가 예상대로 작동하는 데 있어 굉장히 중요합니다. 올바른 데이터를 제공하는 고급 배터리 솔루션과 소프트웨어를 사용하면 엔지니어들이 배터리의 성능을 더 잘 파악할 수 있게 됩니다.

최근 몇 년간 저전력 e-mobility 차량이 지속 가능하고 효율적인 운송 수단으로 큰 인기를 얻고 있습니다. 전기 자전거와 스쿠터는 탄소 배출량 감소와 낮은 작동 비용을 포함해 수많은 이점을 제공합니다.
그러나 이러한 운송 수단의 잠재력을 극대화하려면 배터리의 성능과 특성을 파악하는 것이 굉장히 중요합니다. 특히 배터리 충전/방전 특성, 다양한 부하 조건과 시스템에서 사용하는 전자 장치에 따라 달라지는 배터리 성능, 그리고 노후된 배터리의 성능을 잘 파악해야 합니다.
배터리 수명에 영향을 미치는 주요 요인
일반적으로 하중은 e-mobility 차량의 전력과 이동 거리에 영향을 미칩니다. 여기서 하중은 차량에 탑승한 사람, 차량에 탑재된 짐, 차량의 부속품을 모두 합친 무게를 나타냅니다. 하중이 증가하면 전동기에 필요한 전력도 증가하여 이동 거리가 짧아집니다.
마찬가지로 고성능 브러시리스 DC 모터나 터치스크린 사용자 인터페이스, 무선 연결 기능, 내비게이션용 GPS, 헤드라이트 같은 고급 기능을 많이 추가하면 배터리 전력 소모량이 증가합니다. 고객이 요구하는 기능과 배터리의 성능은 끊임없이 충돌하기 때문에 제조업체는 배터리 성능을 저하시키거나 고객의 요구를 놓치는 일 없이 특정 기능의 추가 또는 제거 여부를 신중하게 결정해야 합니다.
난해한 e-mobility 부문을 다루는 엔지니어들의 입장에서 보면, 전기차(EV)의 배터리 성능을 측정 및 최적화하는 것과 관련이 있는 복잡한 과제를 이해하는 것이 굉장히 중요합니다. 이러한 과제는 EV 내 에너지 저장 시스템의 복원력과 효율성을 검사할 수 있는 리트머스 시험지 역할을 합니다. 배터리 상태를 판단하려면 엔지니어들이 배터리 화학, 방전율, 충전율, 온도 관리를 포함해 여러 가지 난해한 요인들을 처리해야 합니다. 그러나 이러한 수치를 실제 시나리오로 변환하는 데에는 여러 장애물이 존재하는데, 동적인 주행 패턴과 차량의 무게가 미치는 영향을 정밀하게 수량화하는 것이 어렵기 때문입니다.
끊임없이 변화하는 이 분야에 종사하는 엔지니어들은 배터리 성능의 복잡성을 파악하고 이러한 과제에 맞춰 혁신을 실현해야 합니다. e-mobility의 미래를 위해 복원력, 효율성이 뛰어난 고성능 배터리 시스템을 설계하려면 올바른 전문성을 가지고 이 영역을 다루는 것이 필수적입니다.
노후된 배터리와 노후된 배터리가 미치는 영향 파악하기
노후된 배터리가 탑재된 EV의 성능도 굉장히 중요합니다. 노후된 배터리란 시간이 지나면서 변질되어 더 이상 최적의 성능을 낼 수 없는 배터리를 뜻합니다. 리튬이온 배터리와 같은 충전식 배터리는 수명이 한정적이어서 화학적 노후 현상이 진행되면 보유 및 제공할 수 있는 전하량이 점차 줄어들게 됩니다. 그러나 리튬이온 배터리는 유한한 충전/방전 사이클을 보유하는 경향이 있고 한계에 도달하면 용량이 줄어들기 시작해 EV의 이동 거리가 더 짧아집니다.
많은 요인이 e-mobility 차량의 성능과 배터리 전력에 영향을 미치며, e-mobility 차량을 지속 가능하고 효율적인 운송 수단으로 만들기 위해서는 엔지니어들이 이러한 부분을 잘 파악해야 합니다. 배터리 사이클러 테스트, 에뮬레이션 테스트, 충전/방전 테스트, 프로파일러 테스트와 같은 다양한 테스트 기능을 제공하는 고급 배터리 테스트 솔루션을 활용하면 저전력 e-mobility 제품의 잠재력을 발휘하는 데 도움이 됩니다.
배터리 성능 측정
배터리 성능을 측정하는 경우, 엔지니어들은 배터리 용량을 최대한으로 활용하고 e-mobility 차량의 모든 기능을 제공하기 위해 정밀하고 정확한 측정값을 확보해야 합니다. 또한 배터리 측정 솔루션은 높은 수준의 결과를 제공하고 엔지니어들이 프로파일링과 데이터 작동 모드와 같은 기능을 사용하여 배터리 방전 모델을 생성할 수 있도록 지원해야 합니다. 방전 모델링은 성능 예측, 효율성 최적화, 배터리 상태 관리와 같은 핵심적인 데이터 결과를 제공합니다.
고급 배터리 측정 솔루션과 소프트웨어를 사용하면 얻을 수 있는 이점 중 하나는 바로 프로파일러 작동 모드를 활용하여 실제 배터리를 기준으로 배터리 충전 또는 방전 모델을 생성할 수 있다는 것입니다. 배터리 충전 또는 방전 모델을 사용하면 엔지니어들이 다양한 온도 및 작동 조건에 대한 용량, 내부 저항, 전압, 전류를 포함하여 배터리의 성능을 분석할 수 있습니다.
소프트웨어는 자동으로 재사용 가능한 배터리 에뮬레이션 테스트용 배터리 모델을 생성합니다. 엔지니어들은 고급 소프트웨어의 전류, 전력 또는 저항 관련 정보를 통해 끊임없이, 또는 동적으로 배터리를 방전시키는 배터리 방전 모델을 생성할 수 있습니다. 그림 1은 고급 배터리 측정 솔루션을 소프트웨어와 페어링하여 동적 방전 전류 데이터 컬렉션을 생성하는 사례를 보여 줍니다.
저전력 e-mobility 차량의 배터리 성능을 측정하는 다른 고급 기능으로는 배터리 에뮬레이션 작동 모드가 있습니다. 엔지니어들은 이러한 모드를 통해 실제 배터리 없이 해당 테스트 대상 디바이스(DUT)가 고유한 특성을 가진 배터리에 연결되었을 때 어떻게 동작하는지 파악할 수 있습니다.
이 고급 기능은 더 안전한 테스트 환경을 제공하면서 테스트가 끝날 때마다 실제 배터리를 충전할 필요가 없어 엔지니어들이 시간을 절약할 수 있습니다. 또한 에뮬레이션 작동 모드를 사용하면 엔지니어들이 특정한 배터리 전하 상태(SoC)에서 정확하고 매끄럽게 DUT 테스트를 실행할 수 있는데, 소프트웨어에서 원하는 배터리 SoC만 입력하면 됩니다.
고급 배터리 테스트 및 에뮬레이션 소프트웨어를 사용하여 배터리 에뮬레이션 테스트를 실행하려면 엔지니어들이 실제 배터리에서 추출한 배터리 모델을 사용해야 합니다. 이 배터리 모델에는 배터리 SoC와 관련이 있는 용량, 컷오프 전압, 내부 저항, 전압 같은 정보가 포함되어 있습니다. 이러한 유형의 소프트웨어에는 엔지니어들이 테스트에서 바로 사용할 수 있는 사전 정의된 배터리 모델이 포함되어 있습니다.
선택한 배터리 모델을 로드하면, 소프트웨어가 모든 배터리 정보를 자동으로 표시합니다. 그림 2는 배터리 에뮬레이션 테스트 사례에서 사용한 설정값(98.1% SoC)을 보여 줍니다. 그러나 엔지니어들은 테스트 및 애플리케이션 요구 사항에 맞춰 배터리 용량 등급, 전류 한계 또는 초기 SoC와 같은 설정값을 추가적으로 수정할 수 있습니다. 배터리 SoC의 정밀한 제어 상태를 유지하는 것은 e-mobility 배터리 안전성 테스트에 있어 그 무엇보다 중요합니다. 차량의 배터리 관리 시스템(BMS)은 배터리 과방전 또는 과충전 시나리오를 완벽하게 처리할 수 있도록 포괄적인 테스트를 거쳐야 합니다. 이러한 상황이 발생할 경우, BMS는 배터리를 보호하기 위해 충전 또는 방전 작업을 즉시 중단시켜야 합니다.
엔지니어들이 이러한 테스트를 위해 셀 배터리 모델을 사용한다고 가정해 보겠습니다. 이 경우, 고급 배터리 에뮬레이션 및 테스트 소프트웨어를 사용하면 배터리 팩 기능을 활성화할 수 있습니다. 이 기능을 사용하면 엔지니어들은 배터리 셀에 대해 다수의 직렬 및 병렬 연결망을 구성하고 배터리 팩을 효율적으로 시뮬레이션하여 더 높은 전압 및 전류 출력을 달성할 수 있습니다. 그뿐만 아니라 사용자가 목표 SoC 또는 단자 전압을 정의하여 테스트의 컷오프 조건을 설정할 수 있습니다. 과전압 보호 기능을 추가하면 안정성이 올라갑니다.
마지막으로 엔지니어들은 e-mobility 차량에서 배터리의 역량을 극대화할 수 있도록 배터리 충전 및 방전 관련 정보를 분석해야 하는데, 이러한 부분이 향후 성능에 영향을 미치게 됩니다. 그러나 충전 및 방전과 관련해 엔지니어는 차량의 이동 거리, 충전 빈도, 성능 저하에 악영향을 미칠 수 있는 배터리 노화 현상도 살펴보아야 합니다.
배터리 측정 솔루션의 사이클러 작동 모드와 같은 기능을 사용하면 엔지니어들이 최대 1,000회의 작동 사이클을 지원하는 배터리의 맞춤형 충전, 유휴, 방전 시퀀스를 생성하여 시간 경과에 따른 배터리 성능 및 용량 저하율을 정량적으로 측정할 수 있습니다. 그림 3은 고급 배터리 테스트 및 에뮬레이션 소프트웨어를 사용한 테스트 사례를 보여 줍니다.
이 테스트는 정전류 10A 방전(유휴, 충전, 유휴 작업)과 10회의 반복 사이클로 구성된 새로운 사이클 시퀀스를 보여 줍니다. 이 사이클 시퀀스는 빠른 기능 데모를 위해 노화된 배터리의 테스트 속도를 높입니다.
실제 배터리 노화 테스트에서는 엔지니어들이 배터리를 훨씬 더 낮은 전압까지 방전시키고 사이클당 충전/방전/유휴 시퀀스를 추가하고 사이클의 횟수를 늘리고 동적 방전 전류 데이터를 사용하여 더 정확한 결과를 얻을 수 있습니다. 또한 사용자는 컷오프 조건을 정의하여 용량이 일정 비율까지 떨어지면 사이클러 작동 모드를 자동으로 중단시킬 수도 있습니다.
결론
e-mobility 차량과 관련해, 배터리 성능을 정확하게 측정하는 것은 저전력 차량의 배터리가 예상대로 작동하는 데 있어 굉장히 중요합니다. 올바른 데이터를 제공하는 고급 배터리 솔루션과 소프트웨어를 사용하면 엔지니어들이 배터리의 성능을 더 잘 파악할 수 있게 됩니다.
데이터 오류가 발생하면 배터리 성능에 악영향을 미치고 배터리의 잠재력이 최소한으로 감소할 수 있습니다. e-mobility 차량은 수많은 전자 부품과 기능을 보유하고 있으므로, 엔지니어들은 내장되어 있는 배터리가 최고의 성능을 제공할 수 있도록 보장해야 합니다. 적합하지 않은 배터리 측정 솔루션을 사용하면 e-mobility 차량의 성능이 크게 달라질 수 있습니다.
저자 소개
앤드류 헤레가(Andrew Herrera)는 경험 많은 무선 주파수 및 사물인터넷 솔루션 부문 제품 마케팅 담당자입니다. 앤드류는 키사이트테크놀로지스 RF 테스트 소프트웨어 제품 마케팅 관리자로, 키사이트 PathWave 89600 벡터 신호 분석기, 신호 생성, X-시리즈 신호 분석기 측정 애플리케이션을 이끌고 있습니다. 또한 앤드류는 키사이트 PathWave 측정 및 PathWave Instrument Robotic Process Automation(RPA) 소프트웨어 같은 자동화 테스트 솔루션도 주도하고 있습니다.

최근 몇 년간 저전력 e-mobility 차량이 지속 가능하고 효율적인 운송 수단으로 큰 인기를 얻고 있습니다. 전기 자전거와 스쿠터는 탄소 배출량 감소와 낮은 작동 비용을 포함해 수많은 이점을 제공합니다.
그러나 이러한 운송 수단의 잠재력을 극대화하려면 배터리의 성능과 특성을 파악하는 것이 굉장히 중요합니다. 특히 배터리 충전/방전 특성, 다양한 부하 조건과 시스템에서 사용하는 전자 장치에 따라 달라지는 배터리 성능, 그리고 노후된 배터리의 성능을 잘 파악해야 합니다.
배터리 수명에 영향을 미치는 주요 요인
일반적으로 하중은 e-mobility 차량의 전력과 이동 거리에 영향을 미칩니다. 여기서 하중은 차량에 탑승한 사람, 차량에 탑재된 짐, 차량의 부속품을 모두 합친 무게를 나타냅니다. 하중이 증가하면 전동기에 필요한 전력도 증가하여 이동 거리가 짧아집니다.
마찬가지로 고성능 브러시리스 DC 모터나 터치스크린 사용자 인터페이스, 무선 연결 기능, 내비게이션용 GPS, 헤드라이트 같은 고급 기능을 많이 추가하면 배터리 전력 소모량이 증가합니다. 고객이 요구하는 기능과 배터리의 성능은 끊임없이 충돌하기 때문에 제조업체는 배터리 성능을 저하시키거나 고객의 요구를 놓치는 일 없이 특정 기능의 추가 또는 제거 여부를 신중하게 결정해야 합니다.
난해한 e-mobility 부문을 다루는 엔지니어들의 입장에서 보면, 전기차(EV)의 배터리 성능을 측정 및 최적화하는 것과 관련이 있는 복잡한 과제를 이해하는 것이 굉장히 중요합니다. 이러한 과제는 EV 내 에너지 저장 시스템의 복원력과 효율성을 검사할 수 있는 리트머스 시험지 역할을 합니다. 배터리 상태를 판단하려면 엔지니어들이 배터리 화학, 방전율, 충전율, 온도 관리를 포함해 여러 가지 난해한 요인들을 처리해야 합니다. 그러나 이러한 수치를 실제 시나리오로 변환하는 데에는 여러 장애물이 존재하는데, 동적인 주행 패턴과 차량의 무게가 미치는 영향을 정밀하게 수량화하는 것이 어렵기 때문입니다.
끊임없이 변화하는 이 분야에 종사하는 엔지니어들은 배터리 성능의 복잡성을 파악하고 이러한 과제에 맞춰 혁신을 실현해야 합니다. e-mobility의 미래를 위해 복원력, 효율성이 뛰어난 고성능 배터리 시스템을 설계하려면 올바른 전문성을 가지고 이 영역을 다루는 것이 필수적입니다.
노후된 배터리와 노후된 배터리가 미치는 영향 파악하기
노후된 배터리가 탑재된 EV의 성능도 굉장히 중요합니다. 노후된 배터리란 시간이 지나면서 변질되어 더 이상 최적의 성능을 낼 수 없는 배터리를 뜻합니다. 리튬이온 배터리와 같은 충전식 배터리는 수명이 한정적이어서 화학적 노후 현상이 진행되면 보유 및 제공할 수 있는 전하량이 점차 줄어들게 됩니다. 그러나 리튬이온 배터리는 유한한 충전/방전 사이클을 보유하는 경향이 있고 한계에 도달하면 용량이 줄어들기 시작해 EV의 이동 거리가 더 짧아집니다.
많은 요인이 e-mobility 차량의 성능과 배터리 전력에 영향을 미치며, e-mobility 차량을 지속 가능하고 효율적인 운송 수단으로 만들기 위해서는 엔지니어들이 이러한 부분을 잘 파악해야 합니다. 배터리 사이클러 테스트, 에뮬레이션 테스트, 충전/방전 테스트, 프로파일러 테스트와 같은 다양한 테스트 기능을 제공하는 고급 배터리 테스트 솔루션을 활용하면 저전력 e-mobility 제품의 잠재력을 발휘하는 데 도움이 됩니다.
배터리 성능 측정
배터리 성능을 측정하는 경우, 엔지니어들은 배터리 용량을 최대한으로 활용하고 e-mobility 차량의 모든 기능을 제공하기 위해 정밀하고 정확한 측정값을 확보해야 합니다. 또한 배터리 측정 솔루션은 높은 수준의 결과를 제공하고 엔지니어들이 프로파일링과 데이터 작동 모드와 같은 기능을 사용하여 배터리 방전 모델을 생성할 수 있도록 지원해야 합니다. 방전 모델링은 성능 예측, 효율성 최적화, 배터리 상태 관리와 같은 핵심적인 데이터 결과를 제공합니다.
고급 배터리 측정 솔루션과 소프트웨어를 사용하면 얻을 수 있는 이점 중 하나는 바로 프로파일러 작동 모드를 활용하여 실제 배터리를 기준으로 배터리 충전 또는 방전 모델을 생성할 수 있다는 것입니다. 배터리 충전 또는 방전 모델을 사용하면 엔지니어들이 다양한 온도 및 작동 조건에 대한 용량, 내부 저항, 전압, 전류를 포함하여 배터리의 성능을 분석할 수 있습니다.
소프트웨어는 자동으로 재사용 가능한 배터리 에뮬레이션 테스트용 배터리 모델을 생성합니다. 엔지니어들은 고급 소프트웨어의 전류, 전력 또는 저항 관련 정보를 통해 끊임없이, 또는 동적으로 배터리를 방전시키는 배터리 방전 모델을 생성할 수 있습니다. 그림 1은 고급 배터리 측정 솔루션을 소프트웨어와 페어링하여 동적 방전 전류 데이터 컬렉션을 생성하는 사례를 보여 줍니다.
.jpg)
그림 1: 동적 방전 전류 데이터 컬렉션을 생성하는 고급 배터리 측정 솔루션과 소프트웨어
저전력 e-mobility 차량의 배터리 성능을 측정하는 다른 고급 기능으로는 배터리 에뮬레이션 작동 모드가 있습니다. 엔지니어들은 이러한 모드를 통해 실제 배터리 없이 해당 테스트 대상 디바이스(DUT)가 고유한 특성을 가진 배터리에 연결되었을 때 어떻게 동작하는지 파악할 수 있습니다.
이 고급 기능은 더 안전한 테스트 환경을 제공하면서 테스트가 끝날 때마다 실제 배터리를 충전할 필요가 없어 엔지니어들이 시간을 절약할 수 있습니다. 또한 에뮬레이션 작동 모드를 사용하면 엔지니어들이 특정한 배터리 전하 상태(SoC)에서 정확하고 매끄럽게 DUT 테스트를 실행할 수 있는데, 소프트웨어에서 원하는 배터리 SoC만 입력하면 됩니다.
고급 배터리 테스트 및 에뮬레이션 소프트웨어를 사용하여 배터리 에뮬레이션 테스트를 실행하려면 엔지니어들이 실제 배터리에서 추출한 배터리 모델을 사용해야 합니다. 이 배터리 모델에는 배터리 SoC와 관련이 있는 용량, 컷오프 전압, 내부 저항, 전압 같은 정보가 포함되어 있습니다. 이러한 유형의 소프트웨어에는 엔지니어들이 테스트에서 바로 사용할 수 있는 사전 정의된 배터리 모델이 포함되어 있습니다.
선택한 배터리 모델을 로드하면, 소프트웨어가 모든 배터리 정보를 자동으로 표시합니다. 그림 2는 배터리 에뮬레이션 테스트 사례에서 사용한 설정값(98.1% SoC)을 보여 줍니다. 그러나 엔지니어들은 테스트 및 애플리케이션 요구 사항에 맞춰 배터리 용량 등급, 전류 한계 또는 초기 SoC와 같은 설정값을 추가적으로 수정할 수 있습니다. 배터리 SoC의 정밀한 제어 상태를 유지하는 것은 e-mobility 배터리 안전성 테스트에 있어 그 무엇보다 중요합니다. 차량의 배터리 관리 시스템(BMS)은 배터리 과방전 또는 과충전 시나리오를 완벽하게 처리할 수 있도록 포괄적인 테스트를 거쳐야 합니다. 이러한 상황이 발생할 경우, BMS는 배터리를 보호하기 위해 충전 또는 방전 작업을 즉시 중단시켜야 합니다.
.jpg)
그림 2: 완전한 테스트 결과와 에뮬레이션 작동 모드 설정을 실행하는 고급 에뮬레이션 및 테스트 소프트웨어 사례
엔지니어들이 이러한 테스트를 위해 셀 배터리 모델을 사용한다고 가정해 보겠습니다. 이 경우, 고급 배터리 에뮬레이션 및 테스트 소프트웨어를 사용하면 배터리 팩 기능을 활성화할 수 있습니다. 이 기능을 사용하면 엔지니어들은 배터리 셀에 대해 다수의 직렬 및 병렬 연결망을 구성하고 배터리 팩을 효율적으로 시뮬레이션하여 더 높은 전압 및 전류 출력을 달성할 수 있습니다. 그뿐만 아니라 사용자가 목표 SoC 또는 단자 전압을 정의하여 테스트의 컷오프 조건을 설정할 수 있습니다. 과전압 보호 기능을 추가하면 안정성이 올라갑니다.
마지막으로 엔지니어들은 e-mobility 차량에서 배터리의 역량을 극대화할 수 있도록 배터리 충전 및 방전 관련 정보를 분석해야 하는데, 이러한 부분이 향후 성능에 영향을 미치게 됩니다. 그러나 충전 및 방전과 관련해 엔지니어는 차량의 이동 거리, 충전 빈도, 성능 저하에 악영향을 미칠 수 있는 배터리 노화 현상도 살펴보아야 합니다.
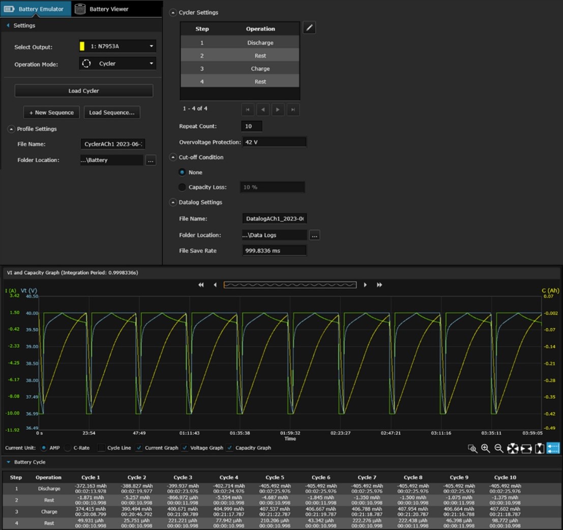
배터리 측정 솔루션의 사이클러 작동 모드와 같은 기능을 사용하면 엔지니어들이 최대 1,000회의 작동 사이클을 지원하는 배터리의 맞춤형 충전, 유휴, 방전 시퀀스를 생성하여 시간 경과에 따른 배터리 성능 및 용량 저하율을 정량적으로 측정할 수 있습니다. 그림 3은 고급 배터리 테스트 및 에뮬레이션 소프트웨어를 사용한 테스트 사례를 보여 줍니다.
.jpg)
그림 3: 완전한 테스트 결과와 함께 사이클러 작동 모드 설정을 실행하는 고급 에뮬레이션 및 테스트 소프트웨어
이 테스트는 정전류 10A 방전(유휴, 충전, 유휴 작업)과 10회의 반복 사이클로 구성된 새로운 사이클 시퀀스를 보여 줍니다. 이 사이클 시퀀스는 빠른 기능 데모를 위해 노화된 배터리의 테스트 속도를 높입니다.
실제 배터리 노화 테스트에서는 엔지니어들이 배터리를 훨씬 더 낮은 전압까지 방전시키고 사이클당 충전/방전/유휴 시퀀스를 추가하고 사이클의 횟수를 늘리고 동적 방전 전류 데이터를 사용하여 더 정확한 결과를 얻을 수 있습니다. 또한 사용자는 컷오프 조건을 정의하여 용량이 일정 비율까지 떨어지면 사이클러 작동 모드를 자동으로 중단시킬 수도 있습니다.
결론
e-mobility 차량과 관련해, 배터리 성능을 정확하게 측정하는 것은 저전력 차량의 배터리가 예상대로 작동하는 데 있어 굉장히 중요합니다. 올바른 데이터를 제공하는 고급 배터리 솔루션과 소프트웨어를 사용하면 엔지니어들이 배터리의 성능을 더 잘 파악할 수 있게 됩니다.
데이터 오류가 발생하면 배터리 성능에 악영향을 미치고 배터리의 잠재력이 최소한으로 감소할 수 있습니다. e-mobility 차량은 수많은 전자 부품과 기능을 보유하고 있으므로, 엔지니어들은 내장되어 있는 배터리가 최고의 성능을 제공할 수 있도록 보장해야 합니다. 적합하지 않은 배터리 측정 솔루션을 사용하면 e-mobility 차량의 성능이 크게 달라질 수 있습니다.
저자 소개
앤드류 헤레가(Andrew Herrera)는 경험 많은 무선 주파수 및 사물인터넷 솔루션 부문 제품 마케팅 담당자입니다. 앤드류는 키사이트테크놀로지스 RF 테스트 소프트웨어 제품 마케팅 관리자로, 키사이트 PathWave 89600 벡터 신호 분석기, 신호 생성, X-시리즈 신호 분석기 측정 애플리케이션을 이끌고 있습니다. 또한 앤드류는 키사이트 PathWave 측정 및 PathWave Instrument Robotic Process Automation(RPA) 소프트웨어 같은 자동화 테스트 솔루션도 주도하고 있습니다.
<저작권자(c)스마트앤컴퍼니. 무단전재-재배포금지>
본 기사의 전문은 PDF문서로 제공합니다.
(로그인필요)
다운로드한 PDF문서를 웹사이트, 카페, 블로그등을 통해 재배포하는 것을 금합니다. (비상업적 용도 포함)
다운로드한 PDF문서를 웹사이트, 카페, 블로그등을 통해 재배포하는 것을 금합니다. (비상업적 용도 포함)
100자평 쓰기

.jpg)














