[기고] 성공적인 애플리케이션 보드를 위한 멀티레일 전원 공급장치 설계 1부: 전략
2021-09-02
이 글은 2부로 구성된 시리즈의 첫 번째 부분으로 멀티레일 전원 공급장치를 설계할 때 때때로 간과하는 몇 가지 문제를 다룬다. 1부에서는 전략과 토폴로지를 중점적으로 다루고, 2부에서는 전력 예산 책정과 보드 레이아웃의 구체적인 사항과 함께 몇 가지 요령을 소개한다. 많은 애플리케이션 보드가 전원을 사용하여 많은 로직 레벨들을 바이어스 하므로 이 연재글에서는 다중 전원 보드 솔루션들을 살펴본다.
서론: 진화하는 시대, 엔지니어의 과제
PCB 애플리케이션에서 전원 설계는 나중에 고려해야 할 사항으로 남겨지곤 한다. 엔지니어는 촉박한 일정 때문에 표준 VIN, VOUT 및 부하 요구사항 이외의 다른 중요한 세부사항들은 간과할 수 있다. 유감스럽게도 이렇게 간과된 세부사항이 PCB 생산에서 진단하기 어려운 문제점들로 나타날 수 있다. 예를 들면 긴 디버깅 과정 후에 설계자는 스위칭 잡음으로 인해 회로가 무작위로 이상 동작을 하는 것을 발견하지만, 무작위 오류의 원인은 정확히 찾아내기가 매우 어려울 수 있다.
.jpg)
이 글은 2부로 구성된 시리즈의 첫 번째 부분으로 멀티레일 전원 공급장치를 설계할 때 때때로 간과하는 몇 가지 문제를 다룬다. 1부에서는 전략과 토폴로지를 중점적으로 다루고, 2부에서는 전력 예산 책정과 보드 레이아웃의 구체적인 사항과 함께 몇 가지 요령을 소개한다. 많은 애플리케이션 보드가 전원을 사용하여 많은 로직 레벨들을 바이어스 하므로 이 연재글에서는 다중 전원 보드 솔루션들을 살펴본다. 목표는 올바른 최초 설계 토폴로지 또는 전략을 달성하는 것이다.
다양한 선택지
특정 전원 공급장치 설계에 대해 사용할 수 있는 솔루션들은 많이 있다. 다음에 소개하는 사례에서는 단일 칩 전원 대비 다중 전압 레일 집적회로(IC)와 같은 몇 가지 옵션을 설명하고 비용과 성능 절충을 평가한다. 저전압 강하(LDO) 레귤레이터와 스위칭 레귤레이터(흔히 벅 또는 부스트 레귤레이터라고 한다)의 절충을 다루고, 아울러 VIOC(voltage input to output control) 레귤레이터 솔루션을 포함한 하이브리드 방법(즉 LDO 레귤레이터와 벅 레귤레이터의 조합)을 설명한다.
이 글에서는 스위칭 잡음을 살피고, 또한 스위치드 전원 공급장치 설계가 적절히 필터링되지 않을 경우 PCB 회로에 어떠한 영향을 미칠 수 있는지 알아본다. 다른 설계 고려사항에는 상위 수준 설계 관점에서 비용, 성능, 구현 및 효율이 포함된다.
예를 들어보자. 주어진 소스 또는 소스들을 기반으로 하는 다중 전원 토폴로지와 관련하여 어떻게 최상의 설계를 구현할 수 있을까? 여기에서 우리는 설계, IC 인터페이스 기술, 전압 임계값 레벨, 그리고 어떠한 유형의 레귤레이터 잡음이 회로에 영향을 미치는지 자세히 알아볼 것이다. 또한 5V, 3.3V, 2.5V, 1.8V TTL(transistor-to-transistor logic)과 CMOS(complementary metal oxide semiconductors) 같은 몇 가지 기본적인 로직 레벨과 이들 각각의 임계값 요구사항을 다룰 것이다.
PECL(positive emitter couple logic), 저전압 PECL(LVPECL) 및 CML(current-mode logic)과 같은 향상된 로직은 언급은 되지만 자세히 다루지 않는다. 이러한 사례들은 초고속 인터페이스이며, 이 경우 낮은 잡음 레벨이 중요하다. 설계자는 신호 스윙 때문에 이러한 문제를 피하는 방법을 알고 있어야 한다.
그림 2. 표준 로직 인터페이스 레벨
전원 공급장치 설계에서 비용과 성능은 함께 하는 경우가 많으므로, 설계자는 로직 레벨과 깨끗한 전력을 위한 요구사항을 신중하게 고려해야 한다. 견고한 설계를 구현하는 것과 함께 허용 오차 및 잡음과 관련하여 활용할 수 있는 헤드룸도 설계에 반영하면 제조 관련 이슈도 피할 수 있다.
전원 공급장치 설계와 관련하여, 설계자는 달성 가능한 것과 수용 가능한 것의 절충을 인식해야 한다. 만약 요구되는 성능을 달성하지 못한다면, 설계자는 규격에 맞출 수 있도록 옵션과 비용을 검토해야 한다. 예를 들어 ADP5054와 같은 멀티레일 디바이스는 비용 효율적이면서 필요한 성능 이점을 만족할 수 있다.
일반적인 설계 사례
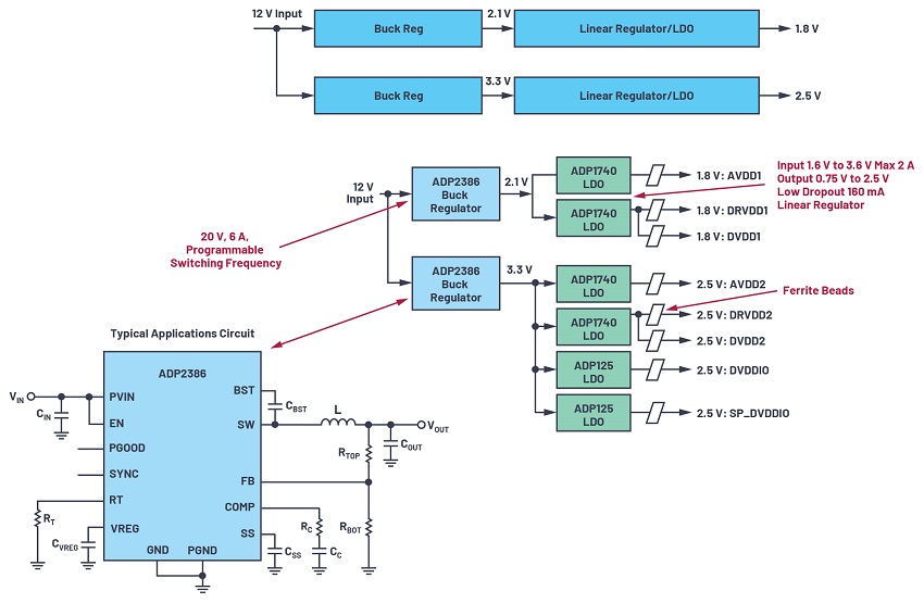
설계 사례를 가지고 살펴보자. 그림 1은 인입되는 12V 및 3.3V를 주 전원으로 사용하는 보드의 블록 다이어그램을 나타낸 것이다. 주 전원은 PCB의 애플리케이션을 위해 5V, 2.5V, 1.8V, 혹은 3.3V를 생성하도록 스텝 다운해야 한다. 외부 3.3V가 충분한 전력과 충분히 낮은 잡음을 제공할 수 있다면, 추가적인 레귤레이션 없이 3.3V의 인입 레일을 사용할 수 있으므로 추가 비용 지출을 피할 수 있다. 그렇지 않을 경우 12V의 인입 레일을 사용하여 PCB 애플리케이션에 필요한 3.3V로 스텝 다운하여 충분한 전력을 공급할 수 있다.
그림 3. 고속 차동 로직 인터페이스 레벨
로직 인터페이스 개요
PCB에 여러 개의 전원 공급장치가 있는 경우는 흔하다. IC가 5V만 사용하여 동작할 수도 있지만, 입/출력 인터페이스용으로 5V와 3.3V를, 내부 로직용으로 2.5V를, 저전력 슬립 모드용으로 1.8V를 필요로 하는 등 여러 전원이 필요할 수도 있다. 저전력 모드는 상시 동작하면서 타이머 기능과 같은 로직과 하우스키핑 로직 또는 인터럽트 시 웨이크업 모드에 사용되거나 IC를 작동시키고 IC에 전력을 공급하는(즉 5V, 3.3V 및 2.5V 전원) IRQ 핀에 사용될 수 있다. 이러한 로직 인터페이스의 일부 또는 전부가 종종 IC 내부에 사용된다.
그림 2의 표준 로직 인터페이스 레벨은 다양한 TTL 및 CMOS 임계값 로직 레벨과 허용 가능한 입력 및 출력 전압 로직 정의를 보여준다. 이 글에서는 입력 로직을 로우(low)로 구동할 때(VIL로 표시)와 하이(high)로 구동할 때(VIH로 표시)에 주목하고, 특히 그림 2에서 “Avoid”로 표시된 임계값 불확실성 영역인 VIH에 초점을 맞춘다.
어떤 경우이든, ±10%의 전원 공급장치 허용오차를 고려해야 한다. 마찬가지로 그림 3은 고속 차동 신호를 보여준다. 이 글의 목적에 맞게, 여기서는 그림 2에 표시된 표준 로직 레벨에 초점을 맞출 것이다.
그림 4. ADP2386의 (a) 일반적인 회로와 (b) 효율 곡선
스위칭 잡음
스위칭 레귤레이터 벅 또는 부스트 전원 공급장치 설계는 잘 필터링하지 않으면 수십 mV ~ 수백 mV의 스위칭 잡음을 발생시키고, 400mV~600mV의 스파이크를 유발할 수 있다. 따라서 스위칭 잡음이 사용 중인 로직 레벨과 인터페이스에서 문제가 되는지 아는 것이 중요하다.
안전 마진
견고한 전원 공급장치 설계를 위해 적당한 안전 마진을 보장하기 위한 개략적인 설계 규칙은 허용오차가 -10%인 최악의 시나리오에서 작업하는 것이다. 예를 들어 0.8V의 5V TTL VIL은 0.72V가 되고, 0.63V의 1.8V CMOS VIL은 0.57V가 되며, 그에 따라 임계 전압(VTH)은 낮아진다(5V TTL VTH = 1.35V 및 1.8V CMOS VTH = 0.81V). 스위칭 잡음(VNS)은 수십 mV에서 수백 mV가 될 수 있다. 또한 로직 회로 자체가 신호 잡음(VN), 즉 간섭 잡음의 특성을 갖는다.
전체 기여 잡음 전압 VTN = VN + VNS는 100mV ~ 800mV 범위가 될 수 있다. VTN이 공칭 신호에 추가되어 전체 신호 전압(VTSIG)을 생성할 경우 실제 전체 신호 VTSIG = VSIG + VTN이 임계 전압(VTH)에 영향을 미쳐 회피 영역이 더욱 확장된다. VTH 영역 내에서 작동하는 신호 레벨은 확정적이지 않으므로 로직 회로가 무작위로 어느 쪽이든 뒤집힐 수 있다. 예를 들면 최악의 시나리오에서는 로직 0 대신 로직 1이 잘못 트리거될 수 있는 것이다.
그림 6. ADP2386과 ADP1740을 함께 사용하는 하이브리드 토폴로지
멀티레일 PSU 주의사항과 팁
임계값 레벨을 인터페이스 입력과 IC 내의 내부 로직에서 모두 이해함으로써 이제 어떤 레벨이 참(true) 로직 레벨 또는 (의도하지 않게) 거짓(false) 로직 레벨을 트리거 할 수 있는지 알 수 있다. 문제는 이러한 임계값을 만족하려면 전원이 얼마나 조용해야 하는가이다. LDO 선형 레귤레이터는 매우 조용하지만, 스텝다운 비율이 높기 때문에 항상 효율적인 것은 아니다. 스위칭 레귤레이터는 전압을 효율적으로 스텝 다운할 수 있지만, 일부 잡음이 발생한다. 효율적이고 조용한 전원 공급장치 시스템은 아마도 이러한 두 종류의 전원 공급장치를 일부 결합한 형태일 수 있다. 이 글에서는 스위칭 레귤레이터 다음에 LDO 레귤레이터를 사용하는 하이브리드 방법을 포함하여 다양한 조합을 살펴본다.
효율은 극대화하고 잡음은 최소화하는 방법
(필요한 경우)1, 2
그림 1의 설계 예시에서 5V 레귤레이션을 위해 효율을 극대화하고 스위칭 잡음을 최소화하려면 12V 라인을 분기하고 ADP2386과 같은 벅 레귤레이터를 사용해야 한다. 표준 로직 인터페이스 레벨(5V TTL VIL 및 5V CMOS VIL은 각각 0.8V 및 1.5V)에서 스위칭 레귤레이터만으로 허용 가능한 마진을 가질 수 있다. 이들 레일에서 효율은 벅 토폴로지를 사용하여 극대화하고, 스위칭 잡음은 5V(TTL 및 CMOS) 기술에서 VIL 미만을 유지한다.
그림 4a에 보이는 ADP2386 구성과 같은 벅 레귤레이터를 사용하면 ADP2386의 일반적인 회로와 효율 곡선에서 보듯이 효율이 95%까지 높아질 수 있다(그림 4b 참조). 이 설계에 비교적 조용한 LDO 레귤레이터를 사용할 경우 VIN에서 VOUT으로 7V 강하가 발생하여 상당한 내부 전력 소모가 열과 효율 손실의 형태로 나타난다. 견고한 설계를 위해 약간의 추가 비용을 들여 벅 레귤레이터 다음에 LDO 레귤레이터를 사용하여 5V를 생성하면 추가적인 이득을 얻을 수 있다.
2.5V 및 1.8V CMOS의 VIL은 각각 0.7V 및 0.63V이다. 유감스럽게도 이 로직 레벨의 안전 마진은 스위칭 잡음을 피할 만큼 충분하지 못하다. 이 문제를 해결하기 위한 두 가지 옵션이 있다. 첫 번째 옵션은 그림 1과 같이 들어오는 외부 3.3V 전원이 충분한 전력을 갖고 있고 잡음이 매우 낮으면, 이 외부 3.3V를 분기하고 2.5V 및 1.8V 전원용으로 ADP125(그림 5) 또는 ADP1740 같은 선형 레귤레이터(LDO 레귤레이터)를 사용하는 것이다.
여기서 3.3V에서 1.8V로 1.5V 강하가 있다는 점에 주의해야 한다. 이러한 강하가 우려되면, 하이브리드 방법을 사용할 수 있다. 두 번째 옵션은 외부 3.3V가 잡음이 낮지 않거나 충분한 전력을 갖지 못할 경우, 12V 전원을 분기하여 벅 다음에 LDO 레귤레이터를 사용하여 3.3V, 2.5V 및 1.8V 전원을 생성하는 것이다. 하이브리드 방법은 그림 6에 나와 있다.
LDO 레귤레이터를 삽입하면 비용과 보드 면적이 약간 증가하고 열 방출이 조금 추가되지만, 안전 마진을 달성하려면 이러한 절충이 필요하다. LDO 레귤레이터를 사용하면 효율이 약간 감소하지만 VIN에서 VOUT으로 작은 전압 강하를 유지함으로써(3.3V에서 2.5V로 0.8V 강하, 또는 3.3V에서 1.8V로 1.5V 강하) 이를 최소화할 수 있다. 효율과 과도 성능은 VIOC 기능이 있는 레귤레이터를 사용하여 극대화할 수 있다. 이 기능은 업스트림 스위칭 레귤레이터의 출력을 조절하여 LDO 레귤레이터에서 최적의 전압 강하를 유지한다. VIOC 기능이 있는 제품으로는 LT3045, LT3042 및 LT3070-1이 있다.
LT3070-1은 5A, 저잡음, 프로그래머블 출력, 85mV LDO 선형 레귤레이터이다. LDO 레귤레이터를 사용해야 하는 데 열 방출이 우려된다면, 여기서 전력 소모는 VDROP × I이다. 가령 3A를 지원하는 LT3070-1에서 레귤레이터 전체에 걸친 전력 강하의 일반적인 값(또는 전력 소모)은 3A × 85mV = 255mW이다. 동일한 3A 출력 전류에서 전압 강하가 400mV인 일반적인 일부 LDO 레귤레이터와 비교할 때 전력 소모는 1.2W로서, 이는 LT3070-1보다 거의 5배가 더 높다.
하이브리드 방법을 사용함으로써 비용을 지불하는 대가로 효율을 높일 수 있다. 그림 6에서는 효율과 성능이 최적화되었다. 여기서는 먼저 벅 레귤레이터(ADP2386)를 사용하여 허용 가능한 최저 전압으로 조절한 다음, LDO 레귤레이터(ADP1740)를 사용하여 효율을 가능한 크게 증가시킨다.
패키지, 전력, 비용, 효율 및 성능 절충
양산 PCB 설계는 종종 고전력, 고효율, 최고 성능 및 저잡음 특성을 위해 소형 멀티레일 전원을 요구한다. 일례로 그림 7에서 보듯이 ADP5054 쿼드 벅 레귤레이터는 FPGA와 같은 애플리케이션을 위해 고전력(17A), 단일 칩, 멀티레일 전원 솔루션을 제공한다. 전체 전원 공급장치 솔루션에 필요한 면적은 약 41mm×20mm이다. ADP5054 자체의 풋프린트는 단 7mm ×7mm로, 총 17A의 전류를 공급한다. 좁은 공간에서 매우 높은 수준의 전력을 공급하고자 한다면, LTM4700과 같은 ADI의 μModule® 레귤레이터를 고려할 만하다. 이 제품은 15mm × 22mm 패키지 크기에서 최대 100A를 공급할 수 있다.
2부 소개
이 시리즈의 2부에서는 전력 예산과 보드 레이아웃을 고려하여 적절한 IC를 선택하는 것을 포함하여 캐스케이드 전략을 보드 수준에서 어떻게 적용할 것인지 살펴보고, 아울러 팁과 요령도 소개한다.
참고문헌
- AD8045 Exposed Paddle Connection. Analog Devices, Inc., January 2011. Header Pin. Digi-Key Electronics.
- Knoth, Steve. “Supply Clean Power with Ultralow Noise LDO Regulators.” Analog Devices, Inc., September 2018.
- Kueck, Christian. “Application Note 139: Power Supply Layout and EMI.” Linear Technology, October 2012.
- “MT-093 Tutorial: Thermal Design Basics.” Analog Devices, Inc., 2009.
- Radosevich, Andy. “Dual Linear Regulator for Digital IC Power Enables On-the-Fly Output Adjustment and Dynamic Headroom Optimization.”
- Analog Devices, Inc., April 2020.
- Zhang, Henry J. “Application Note 136: PCB Layout Considerations for Nonisolated Switching Power Supplies.” Linear Technology, June 2012.
저자 소개
칭 만(Ching Man)은 아일랜드 리머릭에 있는 유럽 CAC(Centralized Applications Centre)의 스태프 애플리케이션 엔지니어이다. 애플리케이션, 하드웨어 시스템 및 ASIC 설계 분야에서 27년 이상의 경험을 갖고 있다. 2007년에 아나로그디바이스에 합류하여 유럽의 광범위한 시장을 위한 고속 ADC, DAC, 3D ToF 이미징, LiDAR 및 소프트웨어 정의 라디오(SDR)에 대한 기술 설계 지원을 제공하고 있다. 영국 런던 웨스트민스터 대학에서 1991년과 1993년에 각각 전자공학 학사학위(우등)와 VLSI 및 디지털 신호 처리 시스템 석사학위를 받았다.
칭 만은 아나로그디바이스의 원고뿐 아니라 IEEE, IET, 일렉트로니카에 논문, 튜토리얼, 세미나 및 회의 논문을 게재하고 발표했다. 1998년에 공인 엔지니어(C.Eng.) 자격증을 취득했으며, 현재 IET(Institution of Engineering and Technology) 펠로우이다. 그는 시스템, ASIC 및 알고리즘 아키텍처, 신호 처리 및 잡음 저감 기법, 아쿠아마린 광섬유 음파 센서 시스템 설계, 애플리케이션 및 배포 등 다양한 연구와 왕성한 활동을 펴나가고 있다.
문의: ching.man@analog.com.
1. 이는 몇몇 토폴로지와 기법을 보여주는 일반적인 설계 예제를 보여준다. 그러나 IMAX, 비용, 패키지, 전압 강하와 같은 다른 고려사항들을 간과하지 말아야 한다.
2. 또한 매우 낮은 잡음과 낮은 EMI를 갖는 사일런트 스위처(Silent Switcher®) 레귤레이터와 같은 저전압 벅 및 부스트 레귤레이터 옵션도 사용할 수 있다. 예를 들어 LT8650S 및 LTC3310S는 성능, 패키지, 풋프린트 및 레이아웃 측면에서 비용 효율적일 수 있다.
서론: 진화하는 시대, 엔지니어의 과제
PCB 애플리케이션에서 전원 설계는 나중에 고려해야 할 사항으로 남겨지곤 한다. 엔지니어는 촉박한 일정 때문에 표준 VIN, VOUT 및 부하 요구사항 이외의 다른 중요한 세부사항들은 간과할 수 있다. 유감스럽게도 이렇게 간과된 세부사항이 PCB 생산에서 진단하기 어려운 문제점들로 나타날 수 있다. 예를 들면 긴 디버깅 과정 후에 설계자는 스위칭 잡음으로 인해 회로가 무작위로 이상 동작을 하는 것을 발견하지만, 무작위 오류의 원인은 정확히 찾아내기가 매우 어려울 수 있다.
.jpg)
이 글은 2부로 구성된 시리즈의 첫 번째 부분으로 멀티레일 전원 공급장치를 설계할 때 때때로 간과하는 몇 가지 문제를 다룬다. 1부에서는 전략과 토폴로지를 중점적으로 다루고, 2부에서는 전력 예산 책정과 보드 레이아웃의 구체적인 사항과 함께 몇 가지 요령을 소개한다. 많은 애플리케이션 보드가 전원을 사용하여 많은 로직 레벨들을 바이어스 하므로 이 연재글에서는 다중 전원 보드 솔루션들을 살펴본다. 목표는 올바른 최초 설계 토폴로지 또는 전략을 달성하는 것이다.
다양한 선택지
특정 전원 공급장치 설계에 대해 사용할 수 있는 솔루션들은 많이 있다. 다음에 소개하는 사례에서는 단일 칩 전원 대비 다중 전압 레일 집적회로(IC)와 같은 몇 가지 옵션을 설명하고 비용과 성능 절충을 평가한다. 저전압 강하(LDO) 레귤레이터와 스위칭 레귤레이터(흔히 벅 또는 부스트 레귤레이터라고 한다)의 절충을 다루고, 아울러 VIOC(voltage input to output control) 레귤레이터 솔루션을 포함한 하이브리드 방법(즉 LDO 레귤레이터와 벅 레귤레이터의 조합)을 설명한다.
그림 1. 멀티레일 전원 솔루션을 필요로 하는 애플리케이션 보드 개요
이 글에서는 스위칭 잡음을 살피고, 또한 스위치드 전원 공급장치 설계가 적절히 필터링되지 않을 경우 PCB 회로에 어떠한 영향을 미칠 수 있는지 알아본다. 다른 설계 고려사항에는 상위 수준 설계 관점에서 비용, 성능, 구현 및 효율이 포함된다.
예를 들어보자. 주어진 소스 또는 소스들을 기반으로 하는 다중 전원 토폴로지와 관련하여 어떻게 최상의 설계를 구현할 수 있을까? 여기에서 우리는 설계, IC 인터페이스 기술, 전압 임계값 레벨, 그리고 어떠한 유형의 레귤레이터 잡음이 회로에 영향을 미치는지 자세히 알아볼 것이다. 또한 5V, 3.3V, 2.5V, 1.8V TTL(transistor-to-transistor logic)과 CMOS(complementary metal oxide semiconductors) 같은 몇 가지 기본적인 로직 레벨과 이들 각각의 임계값 요구사항을 다룰 것이다.
PECL(positive emitter couple logic), 저전압 PECL(LVPECL) 및 CML(current-mode logic)과 같은 향상된 로직은 언급은 되지만 자세히 다루지 않는다. 이러한 사례들은 초고속 인터페이스이며, 이 경우 낮은 잡음 레벨이 중요하다. 설계자는 신호 스윙 때문에 이러한 문제를 피하는 방법을 알고 있어야 한다.
그림 2. 표준 로직 인터페이스 레벨전원 공급장치 설계에서 비용과 성능은 함께 하는 경우가 많으므로, 설계자는 로직 레벨과 깨끗한 전력을 위한 요구사항을 신중하게 고려해야 한다. 견고한 설계를 구현하는 것과 함께 허용 오차 및 잡음과 관련하여 활용할 수 있는 헤드룸도 설계에 반영하면 제조 관련 이슈도 피할 수 있다.
전원 공급장치 설계와 관련하여, 설계자는 달성 가능한 것과 수용 가능한 것의 절충을 인식해야 한다. 만약 요구되는 성능을 달성하지 못한다면, 설계자는 규격에 맞출 수 있도록 옵션과 비용을 검토해야 한다. 예를 들어 ADP5054와 같은 멀티레일 디바이스는 비용 효율적이면서 필요한 성능 이점을 만족할 수 있다.
일반적인 설계 사례
설계 사례를 가지고 살펴보자. 그림 1은 인입되는 12V 및 3.3V를 주 전원으로 사용하는 보드의 블록 다이어그램을 나타낸 것이다. 주 전원은 PCB의 애플리케이션을 위해 5V, 2.5V, 1.8V, 혹은 3.3V를 생성하도록 스텝 다운해야 한다. 외부 3.3V가 충분한 전력과 충분히 낮은 잡음을 제공할 수 있다면, 추가적인 레귤레이션 없이 3.3V의 인입 레일을 사용할 수 있으므로 추가 비용 지출을 피할 수 있다. 그렇지 않을 경우 12V의 인입 레일을 사용하여 PCB 애플리케이션에 필요한 3.3V로 스텝 다운하여 충분한 전력을 공급할 수 있다.
그림 3. 고속 차동 로직 인터페이스 레벨로직 인터페이스 개요
PCB에 여러 개의 전원 공급장치가 있는 경우는 흔하다. IC가 5V만 사용하여 동작할 수도 있지만, 입/출력 인터페이스용으로 5V와 3.3V를, 내부 로직용으로 2.5V를, 저전력 슬립 모드용으로 1.8V를 필요로 하는 등 여러 전원이 필요할 수도 있다. 저전력 모드는 상시 동작하면서 타이머 기능과 같은 로직과 하우스키핑 로직 또는 인터럽트 시 웨이크업 모드에 사용되거나 IC를 작동시키고 IC에 전력을 공급하는(즉 5V, 3.3V 및 2.5V 전원) IRQ 핀에 사용될 수 있다. 이러한 로직 인터페이스의 일부 또는 전부가 종종 IC 내부에 사용된다.
그림 2의 표준 로직 인터페이스 레벨은 다양한 TTL 및 CMOS 임계값 로직 레벨과 허용 가능한 입력 및 출력 전압 로직 정의를 보여준다. 이 글에서는 입력 로직을 로우(low)로 구동할 때(VIL로 표시)와 하이(high)로 구동할 때(VIH로 표시)에 주목하고, 특히 그림 2에서 “Avoid”로 표시된 임계값 불확실성 영역인 VIH에 초점을 맞춘다.
어떤 경우이든, ±10%의 전원 공급장치 허용오차를 고려해야 한다. 마찬가지로 그림 3은 고속 차동 신호를 보여준다. 이 글의 목적에 맞게, 여기서는 그림 2에 표시된 표준 로직 레벨에 초점을 맞출 것이다.
그림 4. ADP2386의 (a) 일반적인 회로와 (b) 효율 곡선
그림 5. 일반적인 ADP125 애플리케이션
스위칭 잡음
스위칭 레귤레이터 벅 또는 부스트 전원 공급장치 설계는 잘 필터링하지 않으면 수십 mV ~ 수백 mV의 스위칭 잡음을 발생시키고, 400mV~600mV의 스파이크를 유발할 수 있다. 따라서 스위칭 잡음이 사용 중인 로직 레벨과 인터페이스에서 문제가 되는지 아는 것이 중요하다.
안전 마진
견고한 전원 공급장치 설계를 위해 적당한 안전 마진을 보장하기 위한 개략적인 설계 규칙은 허용오차가 -10%인 최악의 시나리오에서 작업하는 것이다. 예를 들어 0.8V의 5V TTL VIL은 0.72V가 되고, 0.63V의 1.8V CMOS VIL은 0.57V가 되며, 그에 따라 임계 전압(VTH)은 낮아진다(5V TTL VTH = 1.35V 및 1.8V CMOS VTH = 0.81V). 스위칭 잡음(VNS)은 수십 mV에서 수백 mV가 될 수 있다. 또한 로직 회로 자체가 신호 잡음(VN), 즉 간섭 잡음의 특성을 갖는다.
전체 기여 잡음 전압 VTN = VN + VNS는 100mV ~ 800mV 범위가 될 수 있다. VTN이 공칭 신호에 추가되어 전체 신호 전압(VTSIG)을 생성할 경우 실제 전체 신호 VTSIG = VSIG + VTN이 임계 전압(VTH)에 영향을 미쳐 회피 영역이 더욱 확장된다. VTH 영역 내에서 작동하는 신호 레벨은 확정적이지 않으므로 로직 회로가 무작위로 어느 쪽이든 뒤집힐 수 있다. 예를 들면 최악의 시나리오에서는 로직 0 대신 로직 1이 잘못 트리거될 수 있는 것이다.
그림 6. ADP2386과 ADP1740을 함께 사용하는 하이브리드 토폴로지멀티레일 PSU 주의사항과 팁
임계값 레벨을 인터페이스 입력과 IC 내의 내부 로직에서 모두 이해함으로써 이제 어떤 레벨이 참(true) 로직 레벨 또는 (의도하지 않게) 거짓(false) 로직 레벨을 트리거 할 수 있는지 알 수 있다. 문제는 이러한 임계값을 만족하려면 전원이 얼마나 조용해야 하는가이다. LDO 선형 레귤레이터는 매우 조용하지만, 스텝다운 비율이 높기 때문에 항상 효율적인 것은 아니다. 스위칭 레귤레이터는 전압을 효율적으로 스텝 다운할 수 있지만, 일부 잡음이 발생한다. 효율적이고 조용한 전원 공급장치 시스템은 아마도 이러한 두 종류의 전원 공급장치를 일부 결합한 형태일 수 있다. 이 글에서는 스위칭 레귤레이터 다음에 LDO 레귤레이터를 사용하는 하이브리드 방법을 포함하여 다양한 조합을 살펴본다.
효율은 극대화하고 잡음은 최소화하는 방법
(필요한 경우)1, 2
그림 1의 설계 예시에서 5V 레귤레이션을 위해 효율을 극대화하고 스위칭 잡음을 최소화하려면 12V 라인을 분기하고 ADP2386과 같은 벅 레귤레이터를 사용해야 한다. 표준 로직 인터페이스 레벨(5V TTL VIL 및 5V CMOS VIL은 각각 0.8V 및 1.5V)에서 스위칭 레귤레이터만으로 허용 가능한 마진을 가질 수 있다. 이들 레일에서 효율은 벅 토폴로지를 사용하여 극대화하고, 스위칭 잡음은 5V(TTL 및 CMOS) 기술에서 VIL 미만을 유지한다.
그림 4a에 보이는 ADP2386 구성과 같은 벅 레귤레이터를 사용하면 ADP2386의 일반적인 회로와 효율 곡선에서 보듯이 효율이 95%까지 높아질 수 있다(그림 4b 참조). 이 설계에 비교적 조용한 LDO 레귤레이터를 사용할 경우 VIN에서 VOUT으로 7V 강하가 발생하여 상당한 내부 전력 소모가 열과 효율 손실의 형태로 나타난다. 견고한 설계를 위해 약간의 추가 비용을 들여 벅 레귤레이터 다음에 LDO 레귤레이터를 사용하여 5V를 생성하면 추가적인 이득을 얻을 수 있다.
그림 7. FPGA 애플리케이션을 위한 ADP5054 단일 칩, 멀티레일 전원 솔루션
2.5V 및 1.8V CMOS의 VIL은 각각 0.7V 및 0.63V이다. 유감스럽게도 이 로직 레벨의 안전 마진은 스위칭 잡음을 피할 만큼 충분하지 못하다. 이 문제를 해결하기 위한 두 가지 옵션이 있다. 첫 번째 옵션은 그림 1과 같이 들어오는 외부 3.3V 전원이 충분한 전력을 갖고 있고 잡음이 매우 낮으면, 이 외부 3.3V를 분기하고 2.5V 및 1.8V 전원용으로 ADP125(그림 5) 또는 ADP1740 같은 선형 레귤레이터(LDO 레귤레이터)를 사용하는 것이다.
여기서 3.3V에서 1.8V로 1.5V 강하가 있다는 점에 주의해야 한다. 이러한 강하가 우려되면, 하이브리드 방법을 사용할 수 있다. 두 번째 옵션은 외부 3.3V가 잡음이 낮지 않거나 충분한 전력을 갖지 못할 경우, 12V 전원을 분기하여 벅 다음에 LDO 레귤레이터를 사용하여 3.3V, 2.5V 및 1.8V 전원을 생성하는 것이다. 하이브리드 방법은 그림 6에 나와 있다.
LDO 레귤레이터를 삽입하면 비용과 보드 면적이 약간 증가하고 열 방출이 조금 추가되지만, 안전 마진을 달성하려면 이러한 절충이 필요하다. LDO 레귤레이터를 사용하면 효율이 약간 감소하지만 VIN에서 VOUT으로 작은 전압 강하를 유지함으로써(3.3V에서 2.5V로 0.8V 강하, 또는 3.3V에서 1.8V로 1.5V 강하) 이를 최소화할 수 있다. 효율과 과도 성능은 VIOC 기능이 있는 레귤레이터를 사용하여 극대화할 수 있다. 이 기능은 업스트림 스위칭 레귤레이터의 출력을 조절하여 LDO 레귤레이터에서 최적의 전압 강하를 유지한다. VIOC 기능이 있는 제품으로는 LT3045, LT3042 및 LT3070-1이 있다.
그림 8. ADP5054 회로도
LT3070-1은 5A, 저잡음, 프로그래머블 출력, 85mV LDO 선형 레귤레이터이다. LDO 레귤레이터를 사용해야 하는 데 열 방출이 우려된다면, 여기서 전력 소모는 VDROP × I이다. 가령 3A를 지원하는 LT3070-1에서 레귤레이터 전체에 걸친 전력 강하의 일반적인 값(또는 전력 소모)은 3A × 85mV = 255mW이다. 동일한 3A 출력 전류에서 전압 강하가 400mV인 일반적인 일부 LDO 레귤레이터와 비교할 때 전력 소모는 1.2W로서, 이는 LT3070-1보다 거의 5배가 더 높다.
하이브리드 방법을 사용함으로써 비용을 지불하는 대가로 효율을 높일 수 있다. 그림 6에서는 효율과 성능이 최적화되었다. 여기서는 먼저 벅 레귤레이터(ADP2386)를 사용하여 허용 가능한 최저 전압으로 조절한 다음, LDO 레귤레이터(ADP1740)를 사용하여 효율을 가능한 크게 증가시킨다.
패키지, 전력, 비용, 효율 및 성능 절충
양산 PCB 설계는 종종 고전력, 고효율, 최고 성능 및 저잡음 특성을 위해 소형 멀티레일 전원을 요구한다. 일례로 그림 7에서 보듯이 ADP5054 쿼드 벅 레귤레이터는 FPGA와 같은 애플리케이션을 위해 고전력(17A), 단일 칩, 멀티레일 전원 솔루션을 제공한다. 전체 전원 공급장치 솔루션에 필요한 면적은 약 41mm×20mm이다. ADP5054 자체의 풋프린트는 단 7mm ×7mm로, 총 17A의 전류를 공급한다. 좁은 공간에서 매우 높은 수준의 전력을 공급하고자 한다면, LTM4700과 같은 ADI의 μModule® 레귤레이터를 고려할 만하다. 이 제품은 15mm × 22mm 패키지 크기에서 최대 100A를 공급할 수 있다.
2부 소개
이 시리즈의 2부에서는 전력 예산과 보드 레이아웃을 고려하여 적절한 IC를 선택하는 것을 포함하여 캐스케이드 전략을 보드 수준에서 어떻게 적용할 것인지 살펴보고, 아울러 팁과 요령도 소개한다.
참고문헌
- AD8045 Exposed Paddle Connection. Analog Devices, Inc., January 2011. Header Pin. Digi-Key Electronics.
- Knoth, Steve. “Supply Clean Power with Ultralow Noise LDO Regulators.” Analog Devices, Inc., September 2018.
- Kueck, Christian. “Application Note 139: Power Supply Layout and EMI.” Linear Technology, October 2012.
- “MT-093 Tutorial: Thermal Design Basics.” Analog Devices, Inc., 2009.
- Radosevich, Andy. “Dual Linear Regulator for Digital IC Power Enables On-the-Fly Output Adjustment and Dynamic Headroom Optimization.”
- Analog Devices, Inc., April 2020.
- Zhang, Henry J. “Application Note 136: PCB Layout Considerations for Nonisolated Switching Power Supplies.” Linear Technology, June 2012.
저자 소개
칭 만(Ching Man)은 아일랜드 리머릭에 있는 유럽 CAC(Centralized Applications Centre)의 스태프 애플리케이션 엔지니어이다. 애플리케이션, 하드웨어 시스템 및 ASIC 설계 분야에서 27년 이상의 경험을 갖고 있다. 2007년에 아나로그디바이스에 합류하여 유럽의 광범위한 시장을 위한 고속 ADC, DAC, 3D ToF 이미징, LiDAR 및 소프트웨어 정의 라디오(SDR)에 대한 기술 설계 지원을 제공하고 있다. 영국 런던 웨스트민스터 대학에서 1991년과 1993년에 각각 전자공학 학사학위(우등)와 VLSI 및 디지털 신호 처리 시스템 석사학위를 받았다.
칭 만은 아나로그디바이스의 원고뿐 아니라 IEEE, IET, 일렉트로니카에 논문, 튜토리얼, 세미나 및 회의 논문을 게재하고 발표했다. 1998년에 공인 엔지니어(C.Eng.) 자격증을 취득했으며, 현재 IET(Institution of Engineering and Technology) 펠로우이다. 그는 시스템, ASIC 및 알고리즘 아키텍처, 신호 처리 및 잡음 저감 기법, 아쿠아마린 광섬유 음파 센서 시스템 설계, 애플리케이션 및 배포 등 다양한 연구와 왕성한 활동을 펴나가고 있다.
문의: ching.man@analog.com.
1. 이는 몇몇 토폴로지와 기법을 보여주는 일반적인 설계 예제를 보여준다. 그러나 IMAX, 비용, 패키지, 전압 강하와 같은 다른 고려사항들을 간과하지 말아야 한다.
2. 또한 매우 낮은 잡음과 낮은 EMI를 갖는 사일런트 스위처(Silent Switcher®) 레귤레이터와 같은 저전압 벅 및 부스트 레귤레이터 옵션도 사용할 수 있다. 예를 들어 LT8650S 및 LTC3310S는 성능, 패키지, 풋프린트 및 레이아웃 측면에서 비용 효율적일 수 있다.
<저작권자(c)스마트앤컴퍼니. 무단전재-재배포금지>
본 기사의 전문은 PDF문서로 제공합니다.
(로그인필요)
다운로드한 PDF문서를 웹사이트, 카페, 블로그등을 통해 재배포하는 것을 금합니다. (비상업적 용도 포함)
다운로드한 PDF문서를 웹사이트, 카페, 블로그등을 통해 재배포하는 것을 금합니다. (비상업적 용도 포함)
100자평 쓰기








