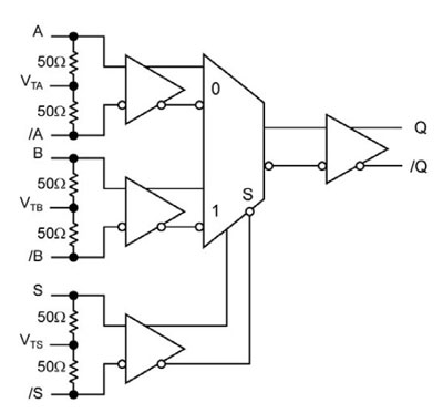
고성능 리니어 및 전력 솔루션을 비롯해 LAN, 타이밍, 통신 솔루션 분야의 업계 선도주자인 마이크렐은 최대 10.7Gbps의 데이터 처리량 및 8GHz의 클럭 처리량을 보장하는 초고속, 저-지터(Low Jitter) 유니버설 로직 게이트, SY58051AU를 공급한다고 밝혔다. 이러한 마이크렐의 AnyGate® 차동 로직 디바이스는 AND, NAND, OR, NOR, DELAY, NEGATION과 같은 2개의 부울 변수(Boolean Variables)로 수많은 로직 기능을 구현할 수 있다.
SY58051AU의 차동 입력은 VT 핀 전반에 걸쳐 터미네이션 네트워크에 액세스할 수 있도록 해주는 독창적인 내부 터미네이션 디자인을 갖추고 있다. 이러한 기능은 디바이스를 외부의 레지스터-바이어스 또는 터미네이션 네트워크 없이도 각기 다른 로직 표준, 즉 AC-커플링 및 DC-커플링과 모두 손쉽게 인터페이스할 수 있도록 해준다. 이를 통해 정확하고, 스터브-프리(Stub-Free) 저지터 인터페이스 솔루션을 구현할 수 있다. 차동 CML 출력은 내부 50Ω 소스 터미네이션 및 400mV 출력 스윙 환경에 최적화되어 있다.
.jpg)
SY58051AU 디바이스는 2.5V에서 3.3V의 공급전압 범위에서 동작하며, 완벽한 산업온도 등급범위인 -40℃ ~ +85℃를 지원한다. SY58051AU는 마이크렐의 Precision Edge® 제품군 중 하나이며, 16핀 3mm x 3mm QFN 패키지로 공급된다. 주요 타깃 애플리케이션 분야로는 데이터 통신 시스템, OC-192/OC-192+FEC 데이터-클럭, 모든 SONETOC-3, OC-768 애플리케이션에 적합하며, 광채널 및 기가비트 이더넷, ATE, 테스트 및 측정 장비에도 이상적이다.
<저작권자(c)스마트앤컴퍼니. 무단전재-재배포금지>
