맥심은 USB 충전 에뮬레이터를 내장한 단일 IC MAX16984 자동차 DC-DC 컨버터를 출시했다. 새로운 MAX16984는 차량용 배터리 전원을 사용해 USB로 모든 휴대기기(PD)를 인식/충전할 수 있다.

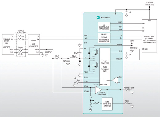
이전에 스마트폰 및 태블릿과 같은 휴대기기는 차량 OEM 제품의 USB 포트에서 신뢰성 있게 충전할 수 없었다. 차량에 내장된 긴 USB 케이블이 전압 강하를 일으키고, 충전 전류를 감소시켜 휴대기기가 적절히 충전될 수 없었기 때문이다. 또한 저가 휴대용 USB 차량용 충전기가 RF 간섭을 발생시켰다. 새로운 MAX16984는 지능형 USB 충전을 자동차에 적용해 이러한 문제를 해결한다. 이 단일 칩 솔루션은 기존의 3칩 솔루션의 모든 기능을 통합했다. 또한 동적 전압 조정으로 최대 2.5 A를 구동할 수 있고, 향상된 EMI 성능을 갖는 Automotive-Grade 5 V DC-DC 컨버터를 결합했다. 이는 자동차에 내장된 긴 케이블에서 최신 휴대기기를 충전하는 데 필수적이다. 다음으로 USB 배터리 충전 규격 v1.2 호환 충전 에뮬레이터가 있다. v1.2 호환 충전 에뮬레이터는 휴대기기와 휴대기기에 명령을 내리는 업스트림 호스트 간에 필요한 핸드셰이크를 수행해 충전 전류를 증가시킨다. 또한 ESD 다이오드와 USB 과전압 보호 스위치를 내장하고 있다. MAX16984는 이 같은 결합으로 초소형 크기로 가장 빠르고 안전한 휴대기기 충전을 구현한다.
맥심의 벤 랜든(Ben Landen) 자동차 비즈니스 매니저는 “MAX16984는 고집적, 소형으로 저가 라디오와 허브, 전용 충전 포트로부터 높은 수준의 USB 충전을 구현한다”며 “설계 시, 크기와 종류에 관계없이 모든 차량에 적용할 수 있어, 소비자 제품을 자동차 환경에서 이용할 수 있다”고 말했다.
주요 장점
- 높은 통합: MAX16984는 자동차 USB 호스트 애플리케이션을 위해 최대 2.5 A를 구동할 수 있는 Automotive-Grade 5 V DC-DC 컨버터로 USB BC1.2 충전 어댑터 에뮬레이터, USB 보호 스위치 등의 표준 3칩 솔루션 기능을 결합했다.
- 높은 성능: MAX16984는 최대 28 V 전압에서 동작하며, 최대 42 V 부하 덤프 과도로부터 보호된다. 내장된 출력 전압 조정 기능은 케이블 전압 강하 문제를 해결한다.
- 전력 절감: MAX16984의 차량용 USB 기능은 연결된 PD와 정보를 주고받아 기기를 사용하지 않을 시, 저전력 모드로 전환해 전력 소모를 줄인다.
한편 MAX16984는 자동차 라디오와 내비게이션 모듈, 내장 텔레매틱스 및 연결 모듈, USB 전용 충전 포트 등에 적합하며, 5 mm x 5 mm, 28핀 TQFN 및 QFND 패키지로 제공된다. ES
<저작권자(c)스마트앤컴퍼니. 무단전재-재배포금지>
