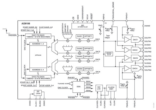
아나로그디바이스는 복합 파형 발생 기능을 위해 온칩 SRAM(static random access memory)과 DDS(direct digital synthesis)를 통합한 AD9106 쿼드-채널 12비트 및 AD9102 단일-채널 14비트 D/A 컨버터를 발표했다. 신형 D/A 컨버터는 초음파 트랜스듀서 여기(excitation), 의료용 측정장비, 휴대형 측정장비, 신호 발생기, 임의파형 발생기(AWG) 등과 같은 애플리케이션에서 요구되는 높은 동적 범위의 고속 멀티채널 복합 파형을 발생한다. 온칩 DDS는 24비트 튜닝 워드로 최대 180 MHz까지 동작하여 10.8 Hz/LSB(최소유효비트) 주파수 분해능을 지원하며, 모든 D/A 컨버터에 대해 단일 주파수 출력을 제공한다. 또한 각 D/A 컨버터에 대해 독립적으로 프로그래밍이 가능한 위상-변이(phase-shift) 출력을 제공한다. 패턴 데이터는 직접 생성되어 SRAM에 저장된 파형, SRAM에 의해 진폭 변조된 DDS 출력, 그리고 처프(chirp) 또는 주파수변이변조(FSK) 기능을 제공하는 SRAM의 DDS 주파수 튜닝 워드 등을 포함한다. 사용자들은 내부 패턴-제어 상태 머신을 통해 모든 D/A 컨버터에 대한 패턴 주기, 각 D/A 컨버터 채널의 신호 출력을 위한 패턴 주기 내의 개시 지연, 패턴 반복률(repetition rate) 등을 프로그램할 수 있다.
www.analog.com

<저작권자(c)스마트앤컴퍼니. 무단전재-재배포금지>




.jpg)



